FGM842D TE-B 用户指南
简介
本文档介绍 FGM842D 系列 TE-B 及其与客户应用的硬件和空中接口连接。它帮助客户快速了解 FGM842D 系列 TE-B 的硬件接口特性、RF 特性、电气特性、机械规格及其他相关信息。
产品概述
FGM842D 系列 TE-B 是一款支持 FGM842D 系列所有接口的开发板,可用于 FGM842D 系列的基本功能测试和进一步开发。
顶部视图和底部视图

TE-B 组件布局

| 组件名称 | 参考设计ator | 描述 |
|---|---|---|
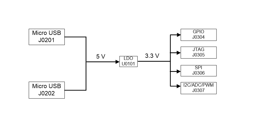
| 电源接口 | J0201, J0202 | USB 电源供应接口 |
| J0303 | 外部 3.3 V 电源接口 | |
| LDO | U0101 | 5 V 至 3.3 V |
| FGM842D 系列 | U0301 | FGM842D 系列模块 |
| 电源开关 | J0101 | VBAT 开/关控制 |
| USB-to-UART 接口 | J0201 | UART1 接口(主 UART) |
| J0202 | UART2 接口(调试 UART) | |
| RF 天线接口 | J0301 | RF SMA 连接器 |
| UART 开关 | J0302 | UART1/UART2 跳线帽控制 |
| 重置按钮 | S0302 | 重置模块以进行固件升级 |
| 电源指示灯 | D0103 | 指示电源开/关状态 |
| UART_TX 下拉开关 | S0301, S0303 | 模块进入 RF 测试模式 |
| GPIO 接口 | J0304 | 测试模块的 GPIO 功能 |
| JTAG 接口 | J0305 | 测试模块的 JTAG 功能 |
| SPI 接口 | J0306 | 测试模块的 SPI 功能 |
| I2C/PWM/ADC 接口 | J0307 | 测试模块的 I2C/PWM/ADC 功能 |
关键特性
| 参数 | 描述 |
|---|---|
| 电源供应 | USB 电源供应: 4.75 ~ 5.25 V 典型:5 V 外部电源供应: 3.0 ~ 3.6 V 典型:3.3 V |
| 温度范围 | 工作温度:-40 °C ~ +105 °C 1 存储温度:-45 °C ~ +115 °C |
| UART 开关 | UART1/UART2 跳线帽控制 |
| USB-to-UART 接口 | 提供 2 个 UART UART1: 用于固件升级和 AT 命令通信,支持 115200 bps(默认)波特率 UART2: 用于调试和日志输出,支持 921600 bps(默认)波特率 |
| 重置按钮 | 重置模块以进行固件升级 |
| 尺寸 | (70 ±0.15) mm × (50 ±0.15) mm × (1.6 ±0.2) mm |
| 固件升级 | 通过 UART1 或 FOTA |
| 天线接口 | 50 Ω 特性阻抗 |
功能框图

操作说明
FGM842D 系列 TE-B 用于固件升级或基于 FGM842D 系列模块的物联网应用开发和调试。以下部分介绍具体操作过程:
入门指南
接口图

操作步骤
下载并安装 USB-to-UART 芯片驱动。驱动可从以下链接下载:CH341SER.EXE;
使用 Micro USB 数据线连接 J0201 或 J0202(USB-to-UART 接口)到计算机。然后,在计算机上检查“设备管理器”以查看串口,如下所示。“USB-SERIAL CH340 (COM11)”连接到 TE-B 的 UART1(主 UART),用于固件升级和 AT 命令通信。如果连接到 TE-B 的 UART2(调试 UART),则用于调试和日志输出。有关 UART 配置的更多详细信息,请参考 硬件设计。

使用期间,可使用 S0302 重置模块。
功耗测试指南
更为详细的功耗测试步骤和说明,请参考 功耗测试。
测试工具
功耗测试所需的工具和设备:
- FGM842D 系列 TE-B;
- DC 电源分析仪;
- 用于在 TE-B 上焊接电源线的电线、烙铁、焊锡和剥线钳。
功耗测试
要使用 TE-B 测试最大发射功率、睡眠和其他状态下的功耗,请遵循以下步骤:
移除参考设计ator R0307 处的电阻,以断开模块与其他部件的连接;
将一根电线焊接到 J0303 的引脚 1,作为模块的 VBAT 电源终端;将一根电线焊接到 J0201 的任意引脚作为 GND。这允许外部电源独立为模块供电;
使用 DC 电源分析仪向焊接的电线供应 3.3 V。模块将自动开机;
使用 Micro USB 数据线将 TE-B 连接到 PC,并在不同模式下进行功耗测试。
附录参考文档
| 术语 | 英文描述 |
|---|---|
| ADC | Analog-to-Digital Converter |
| FOTA | Firmware Over-The-Air |
| LDO | Low-dropout Regulator |
| GPIO | General-Purpose Input/Output |
| PWM | Pulse Width Modulation |
| SMA | Sub Miniature Version A |
| SPI | Serial Peripheral Interface |
| UART | Universal Asynchronous Receiver & Transmitter |
| USB | Universal Serial Bus |
表示当产品在此温度范围内工作时,其性能符合 IEEE 802.11 和 Bluetooth SIG 标准。↩