FC41D硬件设计手册
引言
本文档定义了FC41D及其用于连接客户应用的空中接口和硬件接口。
本文档可以帮助客户快速了解FC41D的硬件接口规范、电气特性、机械规范以及其他相关信息。通过此文档的帮助,客户可以快速应用FC41D于Wi-Fi和蓝牙应用。
特殊符号
特殊符号:
| 符号 | 定义 |
|---|---|
| * | 若无特别说明,模块功能、特性、接口、引脚名称、AT命令或参数后所标记的星号(*)表示该功能、特性、接口、引脚、AT命令或参数正在开发中,因此暂不支持;模块子型号后所标记的星号(*)表示该子型号暂无样品。 |
产品综述
基本描述
FC41D是一款低功耗、高性价比的Wi-Fi和蓝牙模块,符合蓝牙5.2和IEEE
802.11b/g/n标准协议规范。模块集成完整的Wi-Fi和蓝牙应用所需要的硬件和软件资源,支持AP和STA两种Wi-Fi工作模式和低功耗蓝牙,非常适合智能家居、工业控制等低速率应用和数据采集应用。
模块内置Wi-Fi和蓝牙的超高集成度微控制器,具备IoT数据终端必备的计算能力和稳定的Wi-Fi和蓝牙连接性,集成以下特性:
- 主频高达120 MHz的ARM内核
- 256 KB RAM
- 2/4 MB Flash
- 符合蓝牙5.2和IEEE 802.11b/g/n标准协议规范
关键特性
| 性能 | 描述 |
|---|---|
| 供电电压 | VBAT供电: |
| 工作频率 | |
| Wi-Fi传输速率 | |
| Wi-Fi发射功率 | 2.4 GHz: |
| Wi-Fi协议 | IEEE 802.11b/g/ |
| Wi-Fi调制方式 | BPSK、QPSK 、CCK、16QAM、64QAM |
| Wi-Fi工作模式 | |
| 蓝牙协议 | 蓝牙5.2 |
| 蓝牙工作模式 | 低功耗蓝牙(BLE) |
| 蓝牙调制方式 | GFSK |
| 无线应用接口 | |
| 天线接口 | |
| 物理特征 | |
| 温度范围 | |
| RoHS | 所有器件完全符合EU RoHS标准 |
功能框图
下图为FC41D的功能框图,阐述了其如下主要功能:

备注:
FC41D默认支持PCB天线,射频同轴连接器和ANT_WIFI/BT为可选功能。
评估板套件
移远通信提供评估板(FC41DTE-B)及相关配件,用于模块的测试和使用。更多详细信息,请参考文档[1]。
应用接口
基本描述
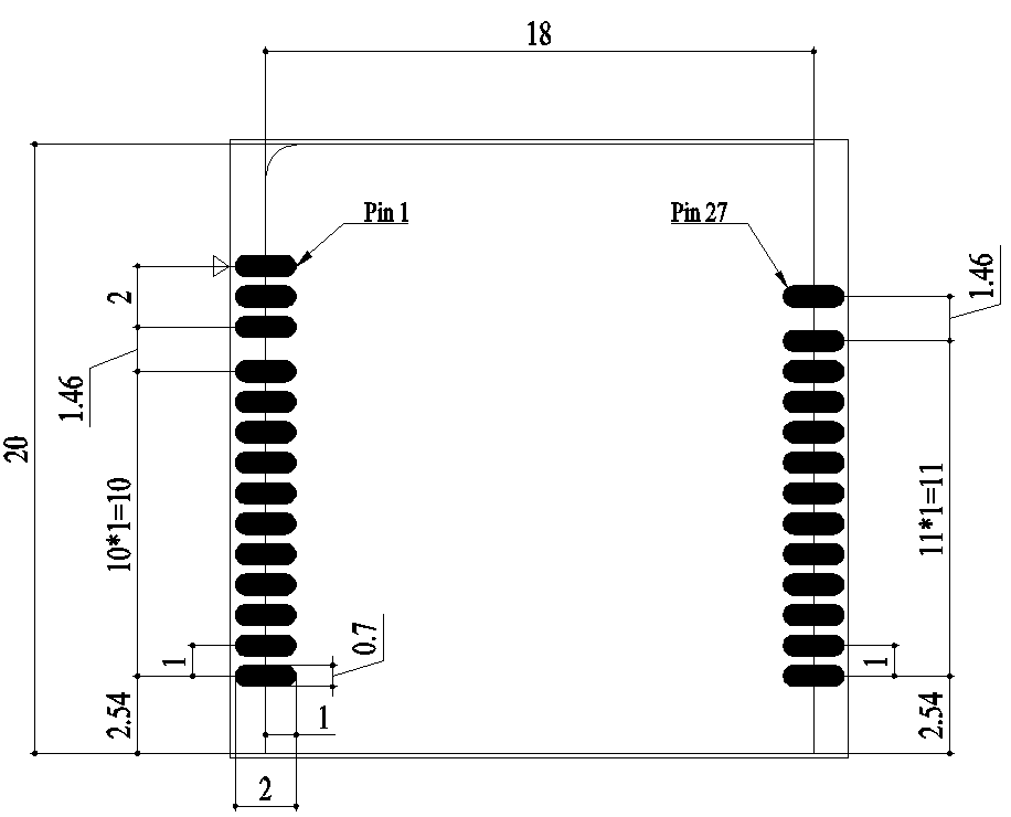
FC41D共有27个LCC引脚。后续章节详细阐述了模块各组接口的功能:
- 电源供电
- 模块复位
- 无线应用接口
-UART
- SPI* - I2C接口*
- PWM接口*
- WAKEUP接口
- 网络状态指示
- GPIO接口*
- ADC接口*
- 射频天线接口
引脚分配图
下图为FC41D引脚分配图:

备注:
- 所有RESERVED和不用的引脚需悬空。
- 所有地引脚需连接到地。
引脚描述表
下表详细描述了FC41D的引脚定义。
I/O参数定义:
| 类型 | 描述 |
|---|---|
| AI | 模拟输入 |
| AIO | 模拟输入/输出 |
| DI | 数字输入 |
| DIO | 数字输入/输出 |
| DO | 数字输出 |
| OD | 漏极开路 |
| PI | 电源输入 |
引脚描述:
电源:
| 引脚名 | 引脚号 | I/O | 描述 | DC特性 | 备注 |
|---|---|---|---|---|---|
| VBAT | 15 | PI | 模块电源 | Vmax = 3.6 V Vmin = 3.0 V Vnom = 3.3 V |
电源必须能够提供0.3A以上的电流。 |
| GND | 1、3、16、27 |
复位:
| 引脚名 | 引脚号 | I/O | 描述 | DC特性 | 备注 |
|---|---|---|---|---|---|
| CEN | 9 | DI | 模块复位 | Vmax = 3.6 V Vmin = 3.0 V Vnom = 3.3 V |
内部上拉至3.3 V;硬件复位,低电平有效。 |
主UART:
| 引脚名 | 引脚号 | I/O | 描述 | DC特性 | 备注 |
|---|---|---|---|---|---|
| MAIN_TXD | 20 | DO | 主UART发送 | 3.3 V | |
| MAIN_RXD | 19 | DI | 主UART接收 |
调试UART:
| 引脚名 | 引脚号 | I/O | 描述 | DC特性 | 备注 |
|---|---|---|---|---|---|
| DBG_TXD | 26 | DO | 调试UART发送 | 3.3 V | 须预留测试点。 |
| DBG_RXD | 25 | DI | 调试UART接收 | 3.3 V | 须预留测试点。 |
SPI*:
| 引脚名 | 引脚号 | I/O | 描述 | DC特性 | 备注 |
|---|---|---|---|---|---|
| SPI_MISO | 13 | DIO | SPI主输入从输出 | 3.3 V | |
| SPI_MOSI | 14 | DIO | SPI主输出从输入 | 3.3 V | |
| SPI_CLK | 17 | DIO | SPI时钟 | 3.3V | 主机模式下,该引脚为输出信号;从机模式下,该引脚为输入信号。 |
| SPI_CS | 18 | DIO | SPI片选 | 3.3V | 主机模式下,该引脚为输入信号;从机模式下,该引脚为输出信号。 |
I2C接口*:
| 引脚名 | 引脚号 | I/O | 描述 | DC特性 | 备注 |
|---|---|---|---|---|---|
| I2C_SCL | 4 | OD | I2C串行时钟 | 3.3 V | 需外部上拉至3.3 V。 |
| I2C_SDA | 5 | OD | I2C串行数据 | 3.3V | 需外部上拉至3.3 V。 |
WAKEUP接口:
| 引脚名 | 引脚号 | I/O | 描述 | DC特性 | 备注 |
|---|---|---|---|---|---|
| WAKEUP_IN | 7 | DI | 将模块从深休眠或待机模式唤醒 | 3.3 V | 上升沿唤醒。 |
| WAKEUP_OUT | 8 | DO | 唤醒主机 | 3.3V | 高电平有效。 |
指示接口:
| 引脚名 | 引脚号 | I/O | 描述 | DC特性 | 备注 |
|---|---|---|---|---|---|
| NET_STATUS | 12 | DO | 网络状态指示 | 3.3 V | STA模式下Wi-Fi连接时,输出高电平。 |
PWM接口*:
| 引脚名 | 引脚号 | I/O | 描述 | DC特性 | 备注 |
|---|---|---|---|---|---|
| PWM | 11 | DO | PWM输出 | 3.3 V |
GPIO接口*:
| 引脚名 | 引脚号 | I/O | 描述 | DC特性 | 备注 |
|---|---|---|---|---|---|
| GPIO1 | 10 | DIO | 通用输入/输出 | 3.3 V | 中断唤醒。 |
| GPIO2 | 22 | DIO | 通用输入/输出 | 3.3 V | 中断唤醒。 |
| GPIO3 | 23 | DIO | 通用输入/输出 | 3.3 V | 中断唤醒。 |
| GPIO4 | 24 | DIO | 通用输入/输出 | 3.3 V | 中断唤醒。 |
ADC接口*:
| 引脚名 | 引脚号 | I/O | 描述 | DC特性 | 备注 |
|---|---|---|---|---|---|
| ADC | 21 | AI | 通用ADC接口 | 电压范围:0~2.4 V |
射频天线接口:
| 引脚名 | 引脚号 | I/O | 描述 | DC特性 | 备注 |
|---|---|---|---|---|---|
| ANT_WIFI/BT | 2 | AIO | Wi-Fi/蓝牙天线接口 | 50 Ω特性阻抗。 |
预留引脚:
| 引脚名 | 引脚号 | 备注 |
|---|---|---|
| RESERVED | 6 | 保持悬空。 |
电源设计
下表为FC41D的电源引脚和接地引脚定义。
电源引脚和地引脚定义:
| 引脚名 | 引脚号 | I/O | 描述 | 最小值 | 典型值 | 最大值 |
|---|---|---|---|---|---|---|
| VBAT | 15 | PI | 模块电源 | 3.0 V | 3.3 V | 3.6 V |
| GND | 1、3、16、27 |
FC41D由VBAT供电,推荐使用至少能提供0.3A输出电流的电源芯片。为了实现更好的电源供电性能,建议在靠近模块VBAT输入端并联22μF的去耦电容以及1 μF、100nF的滤波电容。同时,建议在靠近VBAT输入端增加一个TVS以提高模块的浪涌电压承受能力。原则上,VBAT走线越长,线宽越宽。
VBAT输入端参考电路如下图所示:

VBAT上电后,保持CEN引脚为高电平,即可实现模块自动开机,开机时序图如下所示:

断开VBAT电源可实现模块自动关机。
模块复位
拉低CEN引脚至少100 ms后释放可以使模块复位。
CEN引脚定义:
| 引脚名 | 引脚号 | 描述 | 备注 |
|---|---|---|---|
| CEN | 9 | 模块复位 | 内部上拉至3.3 V; 硬件复位,低电平有效。 |
硬件复位参考电路如下图所示。推荐使用开集驱动电路或按键来控制CEN引脚。

也可以使用按键控制CEN引脚:

复位时序图如下:

无线应用接口
UART
FC41D提供2路UART:主UART和调试UART。模块作为DCE设备(Data Communication
Equipment),按照传统的DCE-DTE(Data Terminal Equipment)方式连接。
UART引脚定义:
| 引脚名 | 引脚号 | I/O | 描述 | 备注 |
|---|---|---|---|---|
| MAIN_TXD | 20 | DO | 主UART发送 | |
| MAIN_RXD | 19 | DI | 主UART接收 | |
| DBG_TXD | 26 | DO | 调试UART发送 | 须预留测试点。 |
| DBG_RXD | 25 | DI | 调试UART接收 |
主UART可用于AT命令通信和数据传输,波特率默认为115200bps,最高波特率可达到2 Mbps。主UART还可用于固件升级,此时默认波特率为921600 bps。
下图为DCE和DTE之间的连接示意图。

调试UART支持115200bps默认波特率,用于部分日志输出。如下为调试UART的参考设计:

SPI*
FC41D提供一路SPI,支持主模式和从模式。在从模式下,时钟频率最大支持50MHz;在主模式下,时钟频率最大支持8 MHz。
SPI的引脚定义如下表所示:
SPI引脚定义:
| 引脚名 | 引脚号 | I/O | 描述 | 备注 |
|---|---|---|---|---|
| SPI_MISO | 13 | DIO | SPI主输入从输出 | |
| SPI_MOSI | 14 | DIO | SPI主输出从输入 | |
| SPI_CLK | 17 | DIO | SPI时钟 | 主机模式下,该引脚为输出信号;从机模式下,该引脚为输入信号。 |
| SPI_CS | 18 | DIO | SPI片选 | 主机模式下,该引脚为输入信号;从机模式下,该引脚为输出信号。 |
I2C接口*
FC41D提供一路I2C接口,仅支持主模式,时钟频率最大支持400kHz,采用7位寻址,默认用于连接EEPROM等外设。
I2C接口引脚定义:
| 引脚名 | 引脚号 | I/O | 描述 | 备注 |
|---|---|---|---|---|
| I2C_SCL | 4 | OD | I2C串行时钟 | 需外部上拉至3.3 V。 |
| I2C_SDA | 5 | OD | I2C串行数据 | 需外部上拉至3.3 V。 |
PWM接口*
FC41D默认提供1路PWM通道,引脚定义如下表所示:
PWM接口引脚定义:
| 引脚名 | 引脚号 | I/O | 描述 |
|---|---|---|---|
| PWM | 11 | DO | PWM输出 |
WAKEUP接口
WAKEUP_IN引脚可将模块从深休眠模式或待机模式下唤醒;WAKEUP_OUT引脚可用来唤醒主机。
WAKEUP接口引脚定义:
| 引脚名 | 引脚号 | I/O | 描述 | 备注 |
|---|---|---|---|---|
| WAKEUP_IN | 7 | DI | 将模块从深休眠或待机模式唤醒 | 上升沿唤醒。 |
| WAKEUP_OUT | 8 | DO | 唤醒主机 | 高电平有效。 |
网络状态指示
NET_STATUS为模块的网络状态指示引脚,可用于驱动网络状态指示灯。
网络状态指示引脚定义:
| 引脚名 | 引脚号 | I/O | 描述 | 备注 |
|---|---|---|---|---|
| NET_STATUS | 12 | DO | 网络状态指示 | STA模式下Wi-Fi连接时,输出高电平。 |
参考电路如下图所示:

GPIO接口*
FC41D默认提供4路GPIO接口,引脚定义如下表所示:
GPIO接口引脚定义:
| 引脚名 | 引脚号 | I/O | 描述 | 备注 |
|---|---|---|---|---|
| GPIO1 | 10 | DIO | 通用输入/输出 | 中断唤醒。 |
| GPIO2 | 22 | DIO | 通用输入/输出 | 中断唤醒。 |
| GPIO3 | 23 | DIO | 通用输入/输出 | 中断唤醒。 |
| GPIO4 | 24 | DIO | 通用输入/输出 | 中断唤醒。 |
ADC接口*
FC41D默认提供1路ADC接口,电压范围为0~2.4V。为了提高ADC接口电压测量的准确度,ADC接口在布线时需要包地处理。
ADC接口引脚定义:
| 引脚名 | 引脚号 | I/O | 描述 |
|---|---|---|---|
| ADC | 21 | AI | 通用ADC接口 |
ADC接口特性:
| 参数 | 最小值 | 典型值 | 最大值 | 单位 |
|---|---|---|---|---|
| ADC接口电压范围 | 0 | - | 2.4 | V |
| ADC接口分辨率 | - | 13 | - | Bit |
| ADC接口采样率 | - | 6 | - | MHz |
天线接口
FC41D提供PCB天线、射频同轴连接器和ANT_WIFI/BT(邮票孔)3种规格,使用PCB天线和邮票孔的模块上不焊接射频同轴连接器。FC41D默认支持PCB天线,射频同轴连接器和ANT_WIFI/BT为可选功能。
工作频率
FC41D工作频率如下表所示:
工作频率(单位:GHz):
| 模式 | 频率 |
|---|---|
| 2.4 GHz Wi-Fi | 2.412~2.484 |
| 蓝牙 | 2.402~2.480 |
ANT_WIFI/BT天线(可选)
ANT_WIFI/BT天线接口的引脚定义如下表所示:
天线接口引脚定义:
| 引脚名 | 引脚号 | I/O | 描述 | 备注 |
|---|---|---|---|---|
| ANT_WIFI/BT | 2 | AIO | Wi-Fi/蓝牙天线接口 | 50 Ω特性阻抗。 |
射频天线接口电路如下图所示。为了获得更好的射频性能,需要预留LC和π型匹配电路,并增加一个ESD防护器件TVS。R1、L1、C1、C2、C3、D1等匹配部件应尽量靠近天线,L1、C1、C2、C3、D1默认不贴。TVS的寄生电容应小于0.05pF。

射频信号线布线指导
设计PCB时,所有射频信号线的特性阻抗应控制在50Ω。一般情况下,射频信号线的阻抗由材料的介电常数、走线宽度(W)、对地间隙(S)、以及参考地平面的高度(H)决定。PCB特性阻抗的控制通常采用微带线与共面波导两种方式。为了体现设计原则,下面几幅图展示了阻抗线控制在50Ω时,微带线以及共面波导的结构设计。




在射频天线接口的电路设计中,为了确保射频信号的良好性能与可靠性,在电路设计中建议遵循以下设计原则:
- 应使用阻抗模拟计算工具对射频信号线进行精确的50 Ω阻抗控制。
- 与射频引脚相邻的地引脚不做热焊盘,要与地充分接触。
- 射频引脚到射频连接器之间的距离应尽量短,同时避免直角走线,建议走线夹角保持为135°。
- 建立连接器件的封装时,信号脚需与地保持距离。
- 射频信号线参考的地平面应完整;在信号线和参考地周边增加一定量的地孔可以帮助提升射频性能;地孔和信号线之间的距离应至少为2倍线宽(2× W)。
- 射频信号线必须远离干扰源,避免和相邻层的任何信号线交叉或平行。
更多关于射频信号线布线的说明,可参考文档 [2]。
天线设计要求
天线要求:
| 类型 | 要求 |
|---|---|
| 频率范围(GHz) | |
| 插入线损(dB) | < 1 |
| VSWR | ≤ 2 |
| 增益(dBi) | 1(典型值) |
| 最大输入功率(W) | 50 |
| 输入阻抗(Ω) | 50 |
| 极化类型 | 垂直极化 |
射频连接器推荐
如果使用射频连接器的连接方式,则推荐使用Hirose的U.FL-R-SMT连接器(天线座)。

可选择U.FL-LP系列的插头与U.FL-R-SMT天线座配合使用。

下图为天线座与插头组装后的尺寸:

详细信息请访问http://www.hirose.com。
板载PCB天线参数
板载PCB天线参数:
| 参数 | 最小值 | 典型值 | 最大值 | 单位 |
|---|---|---|---|---|
| 频率 | 2400 | - | 2500 | MHz |
| 阻抗 | - | 50 | - | Ω |
| VSWR | - | - | 3 | |
| 增益 | - | -1.81 | - | dBi |
| 效率 | - | 35 % | - |
使用模块上的PCB天线时,模块应尽量放置在主板PCB板边。需要确保主板PCB和其它金属器件、连接器、PCB过孔、走线、覆铜的距离至少16mm以上,PCB天线下方的主板PCB区域所有层需要净空。

射频同轴连接器(可选)
天线座规格
模块提供的天线座结构尺寸如下。

天线座主要特性:
| 参数 | 规范 |
|---|---|
| 标称频率范围 | DC~6 GHz |
| 标称阻抗 | 50 Ω |
| 温度范围 | -40 °C ~ +85 °C |
| 电压驻波比(VSWR) | 符合要求: 最大1.3(DC~3 GHz) 最大1.45(3~6 GHz) |
射频连接器安装
与模块射频连接器相匹配的射频插头支持两种类型规格,使用Ø 0.81mm同轴线缆时,最大高度1.2 mm,使用Ø 1.13 mm同轴线缆时,最大高度为1.45mm。
下图为Ø 0.81 mm同轴线缆匹配插头的规格。

下图为Ø 0.81 mm同轴线缆搭配模块上的射频连接器和匹配插头之间的连接图。

下图为Ø 1.13 mm同轴线缆搭配模块上的射频连接器和匹配插头之间的连接图。

手动插拔同轴电缆插头
手动插入同轴电缆插头示意图如下,θ须为90°。

手动拔出同轴电缆插头示意图如下,θ须为90°。

治具插拔同轴电缆插头
治具插拔同轴电缆插头示意图如下,θ须为90°。

射频连接器和连接线厂家推荐
推荐使用I-PEX的射频连接器和同轴线缆,更多细节,请访问https://www.i-pex.com 。
可靠性、射频特性和电气特性
绝对最大额定值
下表为模块部分引脚电压或电流的绝对最大额定值:
绝对最大额定值:
| 参数 | 最小值 | 最大值 | 单位 |
|---|---|---|---|
| VBAT | -0.3 | 3.9 | V |
| I/O输入电压 | -0.3 | 3.9 | V |
电源额定值
额定电源值:
| 参数 | 最小值 | 典型 | 最大值 | 单位 |
|---|---|---|---|---|
| VBAT | 3.0 | 3.3 | 3.6 | V |
数字逻辑电平特性
下表列出了FC41D的推荐I/O接口特征。
数字逻辑电平特性:
| 参数 | 描述 | 最小值 | 最大值 | 单位 |
|---|---|---|---|---|
| VIH | 输入高电平 | 0.7 × VBAT | VBAT + 0.2 | V |
| VIL | 输入低电平 | -0.3 | 0.3 × VBAT | V |
| VOH | 输出高电平 | 0.9 × VBAT | VBAT | V |
| VOL | 输出低电平 | 0 | 0.1 × VBAT | V |
| IiL | 输入漏电流 | -5 | 5 | µA |
功耗
低功耗模式
低功耗模式:
| 模式 | 描述 | 典型值 | 单位 |
|---|---|---|---|
| 深休眠模式 | 使用AT+QDEEPSLEEP可将模块设置成深休眠模式。此模式下,UART不工作、软件设置不保存。 | 8.6 | μA |
| 待机模式 | 使用AT+QLOWPOWER可将模块设置成低功耗模式。此模式下,UART不工作、软件设置可保存。 | 30 | μA |
| 空闲模式 | Wi-Fi和蓝牙均未进行任何操作。 | 22.74 | mA |
备注:
有关AT命令详情,请参考文档 [4]。
正常工作模式
正常工作模式:
| 模式 | 描述 | 典型值 | 单位 |
|---|---|---|---|
| Wi-Fi Scan | 每隔2 s扫描一次 | 68.59 | mA |
| Wi-Fi连接 | 开启STA模式,但无STA连接 | 74.52 | mA |
| Wi-Fi连接 | 开启SoftAP模式并有1个STA连接 | 77.11 | mA |
| Wi-Fi连接 | 开启SoftAP模式并有2个STA连接 | 77.29 | mA |
| Wi-Fi连接 | 开启SoftAP模式,但无STA连接 | 77.09 | mA |
| 数传模式 | SoftAP模式传输数据 | 155.29 | mA |
| 数传模式 | STA模式传输数据 | 147.81 | mA |
| 数传模式 | SoftAP模式 + BLE从机模式传输数据 | 157.56 | mA |
| 数传模式 | STA模式+ BLE从机模式传输数据 | 149.66 | mA |
| 蓝牙连接 | 作为从机接收数据 | 28.41 | mA |
| 蓝牙连接 | 作为从机发送数据 | 28.39 | mA |
| 蓝牙连接 | 作为主机接收数据 | 23.68 | mA |
| 蓝牙连接 | 作为主机发送数据 | 23.68 | mA |
| 射频非信令模式 | 802.11b Tx (2.4 GHz) @ 1 Mbps | 91 | mA |
| 射频非信令模式 | 802.11b Tx (2.4 GHz) @ 11 Mbps | 92 | mA |
| 射频非信令模式 | 802.11g Tx (2.4 GHz) @ 6 Mbps | 90 | mA |
| 射频非信令模式 | 802.11g Tx (2.4 GHz) @ 54 Mbps | 88 | mA |
| 射频非信令模式 | 802.11n Tx (2.4 GHz) @ HT20 MCS0 | 89 | mA |
| 射频非信令模式 | 802.11n Tx (2.4 GHz) @ HT20 MCS7 | 88 | mA |
射频性能
Wi-Fi性能
2.4 GHz Wi-Fi发射功率:
| 协议 | 速率 | 最小值(dBm) | 典型值(dBm) |
|---|---|---|---|
| 802.11b | 1 Mbps | 14 | 16 |
| 802.11b | 11 Mbps | 14 | 16 |
| 802.11g | 6 Mbps | 13 | 15 |
| 802.11g | 54 Mbps | 12 | 14 |
| 802.11n, HT20 | MCS 0 | 12 | 14 |
| 802.11n, HT20 | MCS 7 | 11 | 13 |
2.4 GHz Wi-Fi接收灵敏度:
| 协议 | 速率 | 典型值(dBm) |
|---|---|---|
| 802.11b | 1 Mbps | -96 |
| 802.11b | 11 Mbps | -87 |
| 802.11g | 6 Mbps | -91 |
| 802.11g | 54 Mbps | -74 |
| 802.11n, HT20 | MCS 0 | -90 |
| 802.11n, HT20 | MCS 7 | -71 |
2.4 GHz Wi-Fi OTA总辐射功率测试:
| 协议 | 速率 | 典型值(dBm) |
|---|---|---|
| 802.11b | 1 Mbps | 15 |
| 802.11b | 11 Mbps | 15 |
| 802.11g | 6 Mbps | 14 |
| 802.11g | 54 Mbps | 13 |
| 802.11n, HT20 | MCS 0 | 13 |
| 802.11n, HT20 | MCS 7 | 12 |
2.4 GHz Wi-Fi OTA总全向灵敏度测试:
| 协议 | 速率 | 典型值(dBm) |
|---|---|---|
| 802.11b | 1 Mbps | -94 |
| 802.11b | 11 Mbps | -85 |
| 802.11g | 6 Mbps | -88 |
| 802.11g | 54 Mbps | -71 |
| 802.11n, HT20 | MCS 0 | -86 |
| 802.11n, HT20 | MCS 7 | -66 |
BLE性能
BLE传导发射功率/接收灵敏度:
| 工作模式 | 发射功率(典型值) | 接收灵敏度(典型值) | 单位 |
|---|---|---|---|
| BLE (1 Mbps) | 6 | -95 | dBm |
静电防护
由于人体静电、微电子间带电摩擦等产生的静电会通过各种途径放电给模块,并可能对模块造成一定的损坏,因此应重视静电防护并采取合理的静电防护措施。例如:在研发、生产、组装和测试等过程中,佩戴防静电手套;设计产品时,在电路接口处和其他易受静电放电影响的点位增加防静电保护器件。
ESD性能参数(温度:25~30 ºC,湿度:40 ±5 %):
| 接口 | 接触放电 | 空气放电 | 单位 |
|---|---|---|---|
| VBAT、GND | ±4 | ±8 | kV |
| ANT_WIFI/BT | ±4 | ±8 | kV |
| 其他接口 | ±0.5 | ±1 | kV |
工作和存储温度
工作和存储温度(单位:°C):
| 参数 | 最小值 | 典型值 | 最大值 |
|---|---|---|---|
| 正常工作温度 2 | -40 | +25 | +85 |
| 存储温度 | -45 | - | +95 |
机械尺寸
本章节描述了模块的机械尺寸。所有的尺寸单位为毫米;所有未标注公差的尺寸,公差为±0.2mm。
机械尺寸


备注:
移远通信FC41D的平整度符合JEITA ED-7306标准要求。
推荐封装

备注:
为确保器件的焊接质量,同时方便后续的维修操作,客户主板上模块与其他元器件之间的距离需至少保持为3mm。
俯视图和底视图



备注:
上图仅供参考,实际的产品外观和标签信息,请参照移远通信的模块实物。
存储、生产和包装
存储条件
模块出货时,采用真空密封袋进行包装。模块的湿度敏感等级为3(MSL3),其存储需遵循如下条件:
- 推荐存储条件:温度 23 ±5 °C,且相对湿度为35~60 %。
- 在推荐存储条件下,模块可在真空密封袋中存放12个月。
- 在温度为23 ±5 °C、相对湿度低于60%的车间条件下,模块拆封后的车间寿命为168小时3。在此条件下,可直接对模块进行回流生产或其他高温操作。否则,需要将模块存储于相对湿度小于10%的环境中(例如,防潮柜)以保持模块的干燥。
- 若模块处于如下条件,需要对模块进行预烘烤处理以防止模块吸湿受潮再高温焊接后出现的PCB起泡、裂痕和分层:
- 存储温湿度不符合推荐存储条件;
- 模块拆封后未能根据以上第3条完成生产或存放;
- 真空包装漏气、物料散装;
- 模块返修前。
- 模块的预烘烤处理:
- 需要在120 ±5 °C条件下高温烘烤8小时;
- 二次烘烤的模块须在烘烤后24小时内完成焊接,否则仍需在防潮柜内保存。
备注:
- 为预防和减少模块因受潮导致的起泡、分层等焊接不良的发生,应严格进行管控,不建议拆开真空包装后长时间暴露在空气中。
- 烘烤前,需将模块从包装取出,将裸模块放置在耐高温器具上,以免高温损伤塑料托盘或卷盘。若只需短时间烘烤,请参考IPC/JEDEC J-STD-033规范。
- 拆包、放置模块时请注意ESD防护,例如,佩戴防静电手套。
生产焊接
用印刷刮板在网板上印刷锡膏,使锡膏通过网板开口漏印到PCB上,印刷刮板力度需调整合适。为保证模块印膏质量,模块引脚部分对应的钢网厚度推荐为0.15~0.18mm。详细信息请参考文档 [3]。
推荐的回流焊峰值温度为235~246 ºC,最高不能超过246ºC。为避免模块因反复受热而损坏,建议客户在完成PCB板第一面的回流焊之后再贴模块。推荐的炉温曲线图(无铅SMT回流焊)和相关参数如下图表所示:

推荐的炉温测试控制要求:
| 项目 | 要求 |
|---|---|
| 吸热区(Soak Zone) | |
| 升温斜率 | 0~3 °C/s |
| 恒温时间(A和B之间的时间:150~200°C期间) | 70~120 s |
| 回流焊区(Reflow Zone) | |
| 升温斜率 | 0~3 °C/s |
| 回流时间(D:超过217 °C的期间) | 40~70 s |
| 最高温度 | 235~246 °C |
| 冷却降温斜率 | -3~0 °C/s |
| 回流次数 | |
| 最大回流次数 | 1 |
备注:
- 以上工艺参数要求,均针对焊点实测温度。PCB上焊点最热点和最冷点均需要满足以上规范要求。
- 在生产焊接或者其他可能直接接触移远通信模块的过程中,不得使用任何有机溶剂(如酒精,异丙醇,丙酮,三氯乙烯等)擦拭模块屏蔽罩;否则可能会造成屏蔽罩生锈。
- 移远通信洋白铜镭雕屏蔽罩可满足:12小时中性盐雾测试后,镭雕信息清晰可辨识,二维码可扫描(可能会有白色锈蚀)。
- 如需对模块进行喷涂,请确保所用喷涂材料不会与模块屏蔽罩或PCB发生化学反应,同时确保喷涂材料不会流入模块内部。
- 请勿对移远通信模块进行超声波清洗,否则可能会造成模块内部晶体损坏。
- 因SMT流程的复杂性,如遇不确定的情况或 文档 [3] 未提及的流程(如选择性波峰焊、超声波焊接),请于SMT流程开始前与移远通信技术支持确认。
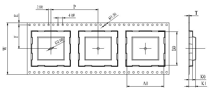
包装规格
本章节仅用于体现包装的关键参数和包装流程,所有图示仅供参考,具体包材的外观、结构以实际交货为准。
此模块采用载带包装,具体方案如下:
载带
载带包装的尺寸图表如下:

载带尺寸表(单位:mm)
| W | P | T | A0 | B0 | K0 | K1 | F | E |
|---|---|---|---|---|---|---|---|---|
| 44 | 32 | 0.4 | 18.5 | 20.5 | 3 | 6.8 | 20.2 | 1.75 |
胶盘

胶盘尺寸表(单位:mm):
| øD1 | øD2 | W |
|---|---|---|
| 330 | 100 | 44.5 |
模块贴片方向

包装流程

将模块放入载带中,使用上带热封;再将热封后的载带缠绕到胶盘中,用保护带缠绕防护。1个胶盘可装载250片模块。

将包装完成的胶盘和1张湿敏卡、1包干燥剂放入真空袋中,抽真空。

将抽真空后的胶盘放入披萨盒内。

将4个披萨盒放入1个卡通箱内,封箱。1个卡通箱可包装1000片模块。
附录 参考文档及术语缩写
参考文档:
| 文档名称 |
|---|
| [1]Quectel_FC41D_TE-B_User_Guide |
| [2]Quectel_射频LAYOUT_应用指导 |
| [3]Quectel_模块SMT应用指导 |
| [4]Quectel_FC41D_AT命令手册 |
术语缩写:
| 缩写 | 英文全称 | 中文全称 |
|---|---|---|
| ADC | Analog-to-Digital Converter | 模数转换器 |
| AP | Access Point | 接入点 |
| ARM | Advanced RISC Machine | RISC微处理器 |
| BLE | Bluetooth Low Energy | 蓝牙低功耗 |
| BPSK | Binary Phase Shift Keying | 二进制相移键控 |
| CCK | Complementary Code Keying | 补码键控 |
| DCE | Data Communication Equipment | 数据通信设备 |
| DTE | Data Terminal Equipment | 数据终端设备 |
| EEPROM | Electrically Erasable Programmable Read-Only Memory | 带电可擦可编程只读存储器 |
| ESD | Electrostatic Discharge | 静电防护 |
| GFSK | Gauss frequency Shift Keying | 高斯频移键控 |
| GND | Ground | 地 |
| GPIO | General-Purpose Input/Outpu | 通用输入/输出 |
| HT | High Throughput | 高吞吐量 |
| I2C | Inter-Integrated Circuit | 集成电路总线 |
| I/O | Input/Output | 输入/输出 |
| IEEE | Institute of Electrical and Electronics Engineers | 电气和电子工程师学会 |
| IiL | Input Leakage Current | 输入漏电流 |
| LCC | Leadless Chip Carrier (package) | 无引脚芯片载体(封装) |
| Mbps | Million Bits Per Second | 每兆位每秒 |
| MCS | Modulation and Coding Scheme | 调制和编码方案 |
| MSL | Moisture Sensitivity Level | 湿度敏感等级 |
| OTA | Over The Air | 空中下载 |
| PCB | Printed Circuit Board | 印刷电路板 |
| PCM | Pulse Code Modulation | 脉冲编码调制 |
| PWM | Pulse Width Modulation | 脉冲宽度调制 |
| QAM | Quadrature Amplitude Modulation | 正交幅度调制 |
| QPSK | Quadrature Phase Shift Keying | 正交相移键控 |
| RAM | Random Access Memory | 随机存储器 |
| RF | Radio Frequency | 射频 |
| RoHS | Restriction of Hazardous Substances | 《关于限制在电子电气设备中使用某些有害成分的指令》 |
| RXD | Receive Data (Pin) | 数据接收(引脚 |
| SPI | Serial Peripheral Interface | 串行外设接口 |
| STA | Station | 站点 |
| TVS | Transient Voltage Suppressor | 瞬变电压抑制二极管 |
| TXD | Transmit Data (Pin) | 发送数据(引脚) |
| UART | Universal Asynchronous Receiver/Transmitter | 通用异步收/发器 |
| VIH | High-level Input Voltage | 输入高电平 |
| VIL | Low-level Input Voltage | 输入低电平 |
| Vnom | Nominal Voltage | 标称电压 |
| VOH | High-level Output Voltage | 输出高电平 |
| VOL | Low-level Output Voltage | 输出低电平 |
| VSWR | Voltage Standing Wave Ratio | 电压驻波比 |