HCM511S 硬件设计手册
引言
本文档定义了在GSDK方案下,HCM511S的特性及其与您的应用相连接的硬件接口和空中接口,同时还提供了模块的硬件接口特性、射频特性、电气特性、机械规范和其他相关信息以便您快速了解本模块。
产品综述
HCM511S是一款低功耗、高性价比的MCU蓝牙模块,支持BLE5.4协议,内部集成高度可配置的无线收发器。模块提供USART、EUART、SWD、I2C、ADC、PDM等接口,可满足不同应用场景的需求。
模块采用贴片技术,封装紧凑,集成以下特性:
- 高性能32位ARM Cortex-M33处理器,主频高达76.8 MHz
- 32 KB RAM存储器,352 KB/ 512 KB Flash 1
- 灵活高效的功耗管理
- 蓝牙网状网络低功耗节点 2
- 支持外围设备反射系统,可实现模块外围设备的自主交互
- 支持OTA(Over-The-Air Upgrade)
- 支持二次开发
基本信息:
| HCM511S | |
|---|---|
| 封装 | LCC |
| 引脚数 | 24 |
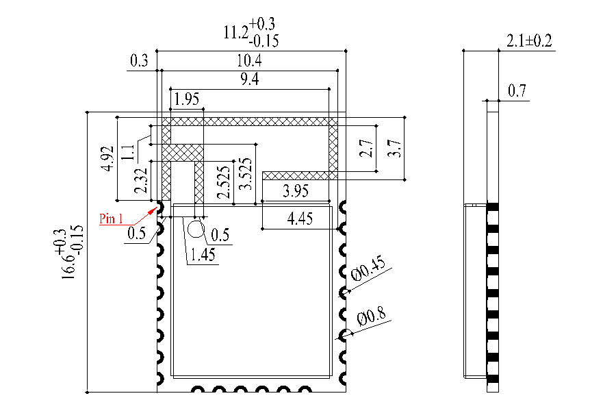
| 尺寸 | (16.6 +0.3/-0.15) mm × (11.2 +0.3/-0.15) mm × (2.1±0.2) mm |
| 重量 | 约0.57 g |
关键特性
关键特性:
| 基本信息 | |
|---|---|
| 协议与标准 | 蓝牙协议:BLE 5.4 所有器件完全符合EU RoHS标准 |
| 供电电压 | VBAT供电: |
| 温度范围 | |
| 评估板套件 | HCM511S-TE-B 4 |
| 天线 | |
| 天线 | |
| 应用接口 5 | |
| 应用接口 | USART、EUART、SWD、I2C、ADC、PDM、GPIO |
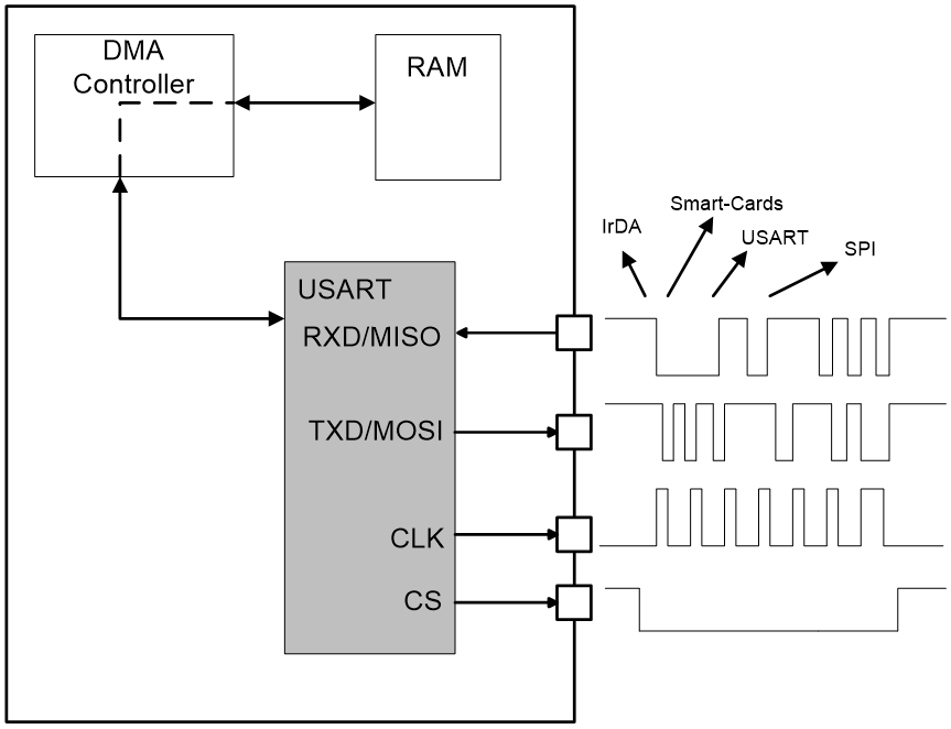
功能框图

备注:
模块默认支持1路USART、1路SWD及14路GPIO接口,复用情况下可支持EUART、I2C、ADC、PDM等接口。关于复用功能详细信息,请参考第3.3章和第3.4章。
应用接口
引脚分配图

备注:
- RESERVED引脚和不用的引脚需悬空。
- 所有GND引脚需连接到地。
- 模块默认支持1路USART、1路SWD及14路GPIO接口,复用情况下可支持EUART、I2C、ADC、PDM等接口。关于复用功能详细信息,请参考 第3.3章和第3.4章。
引脚定义
参数定义:
| 参数 | 描述 |
|---|---|
| DI | 数字输入 |
| DO | 数字输出 |
| DIO | 数字输入/输出 |
| PI | 电源输入 |
DC特性包含电压域、额定电流信息等。
引脚描述:
电源和地引脚:
| 引脚名 | 引脚号 | I/O | 描述 | DC特性 | 备注 |
|---|---|---|---|---|---|
| VBAT | 2 | PI | 模块主电源 | Vmax = 3.8 V Vmin = 1.71 V Vnom = 3.3 V |
建议提供至少20 mA的电流。 |
| GND | 1、8、9 |
复位:
| 引脚名 | 引脚号 | I/O | 描述 | DC特性 | 备注 |
|---|---|---|---|---|---|
| RESET_N | 5 | DI | 模块复位 | 1.8 V | 硬件复位; 内部上拉至1.8V; 低电平有效。 |
USART:
| 引脚名 | 引脚号 | I/O | 描述 | DC特性 | 备注 |
|---|---|---|---|---|---|
| USART_TXD | 22 | DO | USART发送 | VBAT | 串行调试口。 |
| USART_RXD | 23 | DI | USART接收 | VBAT | 串行调试口。 |
SWD接口:
| 引脚名 | 引脚号 | I/O | 描述 | DC特性 | 备注 |
|---|---|---|---|---|---|
| SWDIO | 4 | DIO | 串行数据输入/输出 | VBAT | 程序下载口; 上电使能; 内部上拉至3.3 V。 |
| SWCLK | 3 | DI | 串行数据时钟 | VBAT | 程序下载口; 上电使能; 内部下拉至地 |
GPIO接口:
| 引脚名 | 引脚号 | I/O | 描述 | DC特性 | 备注 |
|---|---|---|---|---|---|
| GPIO4 | 20 | DI | 休眠唤醒控制 6 | VBAT | EM0和EM1功耗模式下,支持异步外部引脚中断。 |
| GPIO4 | 20 | DIO | 通用输入/输出 | VBAT | EM0和EM1功耗模式下,支持异步外部引脚中断。 |
| GPIO5 | 21 | DO | 消息通知指示 7 | VBAT | EM0和EM1功耗模式下,支持异步外部引脚中断。 |
| GPIO5 | 21 | DIO | 通用输入/输出 | VBAT | EM0和EM1功耗模式下,支持异步外部引脚中断。 |
| GPIO1 | 10 | DIO | 通用输入/输出 | VBAT | EM0和EM1功耗模式下,支持异步外部引脚中断。 |
| GPIO2 | 6 | DIO | 通用输入/输出 | VBAT | EM0和EM1功耗模式下,支持异步外部引脚中断。 |
| GPIO3 | 7 | DIO | 通用输入/输出 | VBAT | EM0和EM1功耗模式下,支持异步外部引脚中断。 |
| GPIO6 | 11 | DIO | 通用输入/输出 | VBAT | EM0和EM1功耗模式下,支持异步外部引脚中断。 |
| GPIO7 | 12 | DIO | 通用输入/输出 | VBAT | EM0和EM1功耗模式下,支持异步外部引脚中断。 |
| GPIO8 | 13 | DIO | 通用输入/输出 | VBAT | EM0和EM1功耗模式下,支持异步外部引脚中断。 |
| GPIO9 | 16 | DIO | 通用输入/输出 | VBAT | EM0和EM1功耗模式下,支持异步外部引脚中断。 |
| GPIO10 | 17 | DIO | 通用输入/输出 | VBAT | EM0和EM1功耗模式下,支持异步外部引脚中断。 |
| GPIO11 | 18 | DIO | 通用输入/输出 | VBAT | EM0和EM1功耗模式下,支持异步外部引脚中断。 |
| GPIO12 | 19 | DIO | 通用输入/输出 | VBAT | EM0和EM1功耗模式下,支持异步外部引脚中断。 |
| GPIO13 | 15 | DIO | 通用输入/输出 | VBAT | EM0和EM1功耗模式下,支持异步外部引脚中断。 |
| GPIO14 | 14 | DIO | 通用输入/输出 | VBAT | EM0和EM1功耗模式下,支持异步外部引脚中断。 |
预留引脚:
| 引脚名 | 引脚号 | 备注 |
|---|---|---|
| RESERVED | 24 | 保持悬空。 |
备注:
EM0功耗模式即模块的正常工作模式(Active);EM1即睡眠模(Sleep)。
GPIO复用
模块默认支持14路GPIO接口,复用情况下最多可支持18路。引脚定义如下表所示:
GPIO复用表(数字引脚):
| 复用功能 | GPIO接口 | |||
| SWCLK, SWDIO, GPIO1–5 | GPIO6–8 | USART_TXD, USART_RXD, GPIO9–12 | GPIO13, GPIO14 | |
| EUART0_CTS | √ | √ | √ | √ |
| EUART0_RTS | √ | √ | √ | √ |
| EUART0_RXD | √ | √ | √ | √ |
| EUART0_TXD | √ | √ | √ | √ |
| I2C0_SCL | √ | √ | √ | √ | I2C0_SDA | √ | √ | √ | √ | I2C1_SCL | - | - | √ | √ |
| I2C1_SDA | - | - | √ | √ |
| PDM_CLK | √ | √ | √ | √ | PDM_DATA0 | √ | √ | √ | √ | PDM_DATA1 | √ | √ | √ | √ | USART0_CLK | √ | √ | √ | √ | USART0_CS | √ | √ | √ | √ | USART0_CTS | √ | √ | √ | √ | USART0_RTS | √ | √ | √ | √ | USART0_RXD | √ | √ | √ | √ | USART0_TXD | √ | √ | √ | √ | USART1_CLK | √ | √ | - | - | USART1_CS | √ | √ | - | - | USART1_CTS | √ | √ | - | - | USART1_RTS | √ | √ | - | - | USART1_RXD | √ | √ | - | - | USART1_TXD | √ | √ | - | - |
GPIO复用表(模拟引脚):
| 复用功能 | SWCLK, SWDIO, GPIO1–5 | GPIO6–8 | USART_TXD,USART_RXD, GPIO9–12 | GPIO13, GPIO14 |
|---|---|---|---|---|
| ADC0 | √ | √ | √ | √ |
备注:
- EM0和EM1功耗模式下,所有的GPIO引脚均可配置为中断源。
- EM2和EM3功耗模式下,SWCLK、SWDIO、GPIO1~5、GPIO6~8可作为中断源。
- EM4功耗模式下,GPIO4、GPIO12、GPIO7、USART_TXD具备唤醒功能。
- EM2即深休眠模式(Deep sleep)、EM3为待机模式(Stop),EM4为关机模式(Shutoff)。
- 模块断电后,所有GPIO的输入电平必须为低电平。否则,GPIO漏电可能会使模块处于异常状态。
- 通过GPIO复用来的各应用接口最大数量不可同时实现。对于模块可支持各应用接口最大数量,详情可参考第3.4章。
应用接口
USART
模块默认支持1路USART,复用情况下,最多支持2路USART,复用详情请参考 表5。USART支持如下应用:
- UART(支持全双工通信、硬件流控)
- RS-485
- SPI
- MicroWire
- 3-wire
- ISO 7816智能卡
- IrDA
- I2S

USART支持同步/异步通信模式:
- 同步模式下,源于总线主设备的时钟信号随数据信号传输,主从设备数据传输须遵循时钟频率。同步通信模式下可兼容SPI总线协议标准。
- 异步模式下,时钟信号不随数据信号传输,USART接收器须从实际数据中判定获取需采样的总线数据。为实现数据采样,在异步模式下,数据中需要添加额外的数据同步位。
可通过配置USART_CTRL寄存器中的SYNC位来选择同步/异步模式,具体配置方法可咨询移远通信技术支持。USART通信模式选择及支持协议如下表所示:
USART同步/异步通信模式选择:
| SYNC | 通信模式 | 协议 |
|---|---|---|
| 0 | 异步 | UART、RS-232、RS-485(需外部驱动)、IrDA、ISO7816智能卡 |
| 1 | 同步 | I2S、SPI、MicroWire、3-wire |
USART作UART应用时,可用于AT命令通信、数据传输,支持波特率可自行配置,默认波特率为115200bps。下图显示了模块和MCU之间的UART连接(虚线部分可根据实际情况删减)。

USART作SPI应用时,连接如下:


备注:
USART作SPI应用时,从模式下输入输出信号需转换:接收器通过USART_TXD(SPI_MOSI)接收信号,发送器驱动USART_RXD(SPI_MISO)发送信号。
USART作I2S应用时,连接如下:

USART作RS-485应用时,连接如下:

EUART
模块复用情况下支持1组EUART,专用于高速UART和IrDA通信,接口复用详情请参考表5。
- EUART具备多种工作模式,可以灵活配置帧格式和波特率。在多处理器模式下,EUART可以在未被寻址时保持空闲状态,有助于降低功耗并提高通信效率。
- EUART支持三重缓冲和DMA(Direct Memory Access),数据传输可以在CPU占用率最小的情况下进行,从而实现高速率的数据传输。
- 此外,EUART还支持在EM1模式下进行大帧数据的收发。在低频率的EM2模式下,特定的I/O口可以支持数据收发,这使得模块在低功耗状态下也能保持通信能力。
SWD接口
模块支持2线串行线调试接口(SWD)。引脚定义如下表:
SWD接口引脚定义:
| 引脚名 | 引脚号 | I/O | 描述 | 备注 |
|---|---|---|---|---|
| SWDIO | 4 | DIO | 串行数据输入/输出 | 程序下载口; 上电使能; 内部上拉至3.3 V。 |
| SWCLK | 3 | DI | 串行数据时钟 | 程序下载口; 上电使能; 内部下拉至地。 |
SWD接口支持在线程序下载,接口常见连接方式如下:

I2C接口
复用情况下,模块可提供2组I2C接口,均支持主从模式及多主通信总线,接口复用详情请参考 表5。接口支持标准模式(100kbps)、快速模式(400 kbps)和快速模式+(1Mbps),同时也满足从设备仲裁和超时,以满足对SMBus系统的兼容。EM0~EM3功耗模式下均支持自动识别从设备地址。
I2C总线接口均为开漏输入/输出,最大的上拉电阻值(Rp)可通过最大上升时间(Tr)和预估总线电容(Cb)函数来计算:
Rp = Tr / (0.8473 × Cb)
100 kHz、400 kHz和1 MHz速率下最大的上升时间(Tr)分别为1 μs,300 ns和120ns。
ADC接口
模块复用情况下支持ADC接口,接口复用详情请参考表6。接口在每秒100万次采样情况下,最高可支持12位分辨率。灵活的增量架构使用过采样,允许应用程序以速度换取更高的分辨率。
ADC接口主要特点如下:
灵活可配置的过采样率架构,允许在速率和分辨率之间取舍:
- 1 Msps时过采样率 = 2
- 555 ksps时过采样率 = 4
- 76.9 ksps时过采样率 = 32支持内部和外部转换触发源
- 立即触发(软件触发)
- 本地ADC计时器
- 外部计时器模块(同步输出/PWM生成)
- 通用PRS硬件信号可选参考源
- 1.21 V内部参考
- 外部精度参考
- 模拟供电
PDM接口
模块复用情况下支持一组PDM接口,接口复用详情请参考 表5。PDM接口提供抽取滤波器,用于脉冲密度调制(PDM)麦克风、隔离型Sigma-Delta模数转换器、数字传感器、其他PDM或Sigma-Delta位流外围设备。抽取滤波器采用可编程分梳状滤波器抽取输入的比特流。PDM支持立体声或单声道输入数据和DMA传输。

GPIO接口
复用情况下模块最多支持18路GPIO接口,接口复用详情请参考 表5和 表6。每个GPIO引脚可独立配置为输入或输出,还可配置为开漏、开源、毛刺滤波等功能。除SWD接口引脚(SWDIO、SWCLK)外,其他16路GPIO引脚在系统复位后,输入和输出功能都会被关闭。可根据需求通过GPIO引脚自定义外资源,如计时器、PWM或USART_RDX/_TXD。单个引脚的输入值可以通过PRS配置到其他外设,或者被用来触发外部中断。
工作特性
电源设计
下表为模块的电源引脚和接地引脚定义。
电源引脚和地引脚定义:
| 引脚名 | 引脚号 | I/O | 描述 | 最小值 | 典型值 | 最大值 | 单位 |
|---|---|---|---|---|---|---|---|
| VBAT | 2 | PI | 模块主电源 | 1.71 | 3.3 | 3.8 | V |
| GND | 1、8、9 |
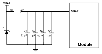
供电参考
模块由VBAT供电,推荐使用至少能够提供20mA电流能力的的电源芯片。为了确保实现更好的电源供电性能,建议在靠近模块VBAT输入端并联22 μF的去耦电容以及1 μF、100nF的滤波电容。预留电容C4用于调试,默认不贴。同时,建议在靠近VBAT输入端增加一个TVS管以提高模块的浪涌电压承受能力。原则上,VBAT走线越长,线宽越宽。
VBAT输入端参考电路如下图所示:

复位
拉低RESET_N引脚至少100 ns后释放可以使模块复位。
RESET_N引脚定义:
| 引脚名 | 引脚号 | I/O | 描述 | 备注 |
|---|---|---|---|---|
| RESET_N | 5 | DI | 模块复位 | 硬件复位; 内部上拉至1.8 V; 低电平有效。 |
模块复位参考电路如下图所示。通过一个按键开关即可实现复位,同时按键附近需放置一个TVS管用于ESD防护,以及一个100nF的电容用于按键除抖。

模块复位时序图如下图所示:

射频特性
蓝牙特性
蓝牙特性:
| 工作频率 | ||
|---|---|---|
| 2.400~2.4835 GHz | ||
| 调制方式 | ||
| GFSK | ||
| 工作模式 | ||
| 低功耗蓝牙(BLE) | ||
| 条件(VBAT = 3.3 V;温度:25°C) | 发射功率 | 接收灵敏度 |
| BLE (1 Mbps) | ≤ 6 dBm | -98 dBm ±2 dB |
| BLE (2 Mbps) | ≤ 6 dBm | -95 dBm ±2 dB |
| BLE (S = 2) 8 | ≤ 6 dBm | -102 dBm ±2 dB |
| BLE (S = 8) | ≤ 6 dBm | -106 dBm ±2 dB |
PCB天线
模块支持PCB天线,天线参数如下:
PCB天线参数:
| 参数 | 要求 |
|---|---|
| 频率(GHz) | 2.400~2.500 |
| 输入阻抗(Ω) | 50(典型值) |
| VSWR | ≤ 2 |
| 增益(dBi) | -0.5(最大值) |
| 效率 | 30 %(平均值) |
PCB天线的性能取决于整个产品,包括主板、外壳和其他射频信号等,建议在早期设计阶段就进行验证。为确保产品使用PCB天线设计时的性能和可靠性,模块的放置和布局应遵循以下基本原则:
- 模块应放置在主板边缘。
- 在主板上,PCB天线下方的PCB区域所有层需要净空。
- PCB天线应与主板上的过孔、走线、覆铜和其他器件(例如:连接器、以太网口和任何金属器件等)保持至少16mm的距离。
- 如果使用塑料外壳,塑料外壳应距离PCB天线至少10mm以上。如果使用金属外壳,建议使用外置天线。
备注:
如果上述任一原则无法保证,建议选择模块的其他天线方案或咨询移远天线团队。移远天线团队可以帮助设计并推荐合适的外置天线。如有需要,请联系移远通信技术支持。
下图所示1、5为推荐模块最佳放置点。


为确保模块性能,PCB设计时模块底部射频测试点处禁止布线。禁止布线区域见下图红框标识:

电气性能和可靠性
绝对最大额定值
下表为模块部分引脚电压或电流的绝对最大额定值。
绝对最大额定值(单位:V):
| 参数 | 最小值 | 最大值 |
|---|---|---|
| VBAT | -0.3 | 3.8 |
| 数字接口电压 | -0.3 | 4.1 |
电源额定值
模块供电额定电压(单位:V):
| 参数 | 描述 | 条件 | 最小值 | 典型值 | 最大值 |
|---|---|---|---|---|---|
| VBAT | 模块主电源 | 实际输入电压必须在该范围之内 | 1.71 | 3.3 | 3.8 |
蓝牙功耗
蓝牙功耗:
| 模式 | 典型值 | 最大值 | 单位 |
|---|---|---|---|
| 睡眠模式 | - | 1.769 | μA |
| BLE 1 Mbps @ Tx 6 dBm | 6.722 | 7.532 | mA |
| BLE 2 Mbps @ Tx 6 dBm | 4.630 | 5.471 | mA |
| BLE S = 2 @ Tx 6 dBm9 | 6.074 | 8.648 | mA |
| BLE S = 8 @ Tx 6 dBm | 7.847 | 9.030 | mA |
数字逻辑电平特性
I/O特性(单位:V):
| 参数 | 描述 | 最小值 | 最大值 |
|---|---|---|---|
| VIH | 输入高电平 | 0.7 × VBAT | - |
| VIL | 输入低电平 | - | 0.3 × VBAT |
| VOH | 输出高电平 | 0.8 × VBAT | - |
| VOL | 输出低电平 | - | 0.2 × VBAT |
备注:
VBAT = 3.3 V。
静电防护
由于人体静电、微电子间带电摩擦等产生的静电会通过各种途径放电给模块,并可能对模块造成一定的损坏,因此应重视静电防护并采取合理的静电防护措施。例如:在研发、生产、组装和测试等过程中,佩戴防静电手套;设计产品时,在电路接口处和其他易受静电放电影响的点位增加防静电保护器件。
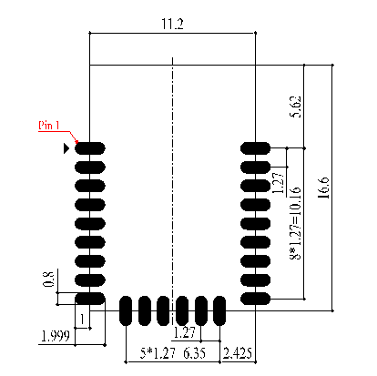
结构与规格
本章节描述了模块的机械尺寸。所有的尺寸单位为毫米;所有未标注公差的尺寸,公差为±0.2mm。
机械尺寸


备注:
模块平整度标准:≤ 0.13 mm。
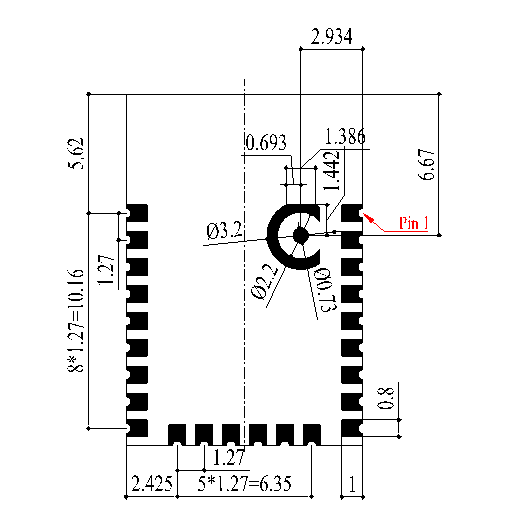
推荐封装

备注:
为确保器件的焊接质量,方便后续的维修操作,客户主板上模块与其他元器件之间的距离至少为3mm。
俯视图和底视图

备注:
上图仅供参考,实际的产品外观和标签信息,请参照移远通信的模块实物。
存储、生产和包装
存储条件
模块出货时,采用真空密封袋进行包装。模块的湿度敏感等级为3(MSL3),其存储需遵循如下条件:
- 推荐存储条件:温度 23 ±5 °C,且相对湿度为35~60 %。
- 在推荐存储条件下,模块可在真空密封袋中存放12个月。
- 在温度为23 ±5 °C、相对湿度低于60%的车间条件下,模块拆封后的车间寿命为168小时10。在此条件下,可直接对模块进行回流生产或其他高温操作。否则,需要将模块存储于相对湿度小于10%的环境中(例如,防潮柜)以保持模块的干燥。
- 若模块处于如下条件,需要对模块进行预烘烤处理以防止模块吸湿受潮再高温焊接后出现的PCB起泡、裂痕和分层:
-存储温湿度不符合推荐存储条件;
- 模块拆封后未能根据以上第3条完成生产或存放;
- 真空包装漏气、物料散装;
- 模块返修前。 - 模块的预烘烤处理:
-需要在120 ±5 °C条件下高温烘烤8小时;
- 二次烘烤的模块须在烘烤后24小时内完成焊接,否则仍需在防潮柜内保存。
备注:
- 为预防和减少模块因受潮导致的起泡、分层等焊接不良的发生,应严格进行管控,不建议拆开真空包装后长时间暴露在空气中。
- 烘烤前,需将模块从包装取出,将裸模块放置在耐高温器具上,以免高温损伤塑料托盘或卷盘。若只需短时间烘烤,请参考IPC/JEDEC J-STD-033规范。
- 拆包、放置模块时请注意ESD防护,例如,佩戴防静电手套。
生产焊接
用印刷刮板在网板上印刷锡膏,使锡膏通过网板开口漏印到PCB上,印刷刮板力度需调整合适。为保证模块印膏质量,模块焊盘部分对应的钢网厚度推荐为0.15~0.18mm。详细信息请参考 文档 [3]。
推荐的回流焊峰值温度为235~246 ºC,最高不能超过246ºC。为避免模块因反复受热而损坏,建议客户在完成PCB板第一面的回流焊之后再贴模块。推荐的炉温曲线图(无铅SMT回流焊)和相关参数如下图表所示:

推荐的炉温测试控制要求:
| 项目 | 要求 |
|---|---|
| 吸热区(Soak Zone) | |
| 升温斜率 | 0~3 °C/s |
| 恒温时间(A和B之间的时间:150~200°C期间) | 70~120 s |
| 回流焊区(Reflow Zone) | |
| 升温斜率 | 0~3 °C/s |
| 回流时间(D:超过217 °C的期间) | 40~70 s |
| 最高温度 | 235~246 °C |
| 冷却降温斜率 | -3~0 °C/s |
| 回流次数 | |
| 最大回流次数 | 1 |
备注:
- 以上工艺参数要求,均针对焊点实测温度。PCB上焊点最热点和最冷点均需要满足以上规范要求。
- 在生产焊接或者其他可能直接接触移远通信模块的过程中,不得使用任何有机溶剂(如酒精,异丙醇,丙酮,三氯乙烯等)擦拭模块屏蔽罩;否则可能会造成屏蔽罩生锈。
- 移远通信洋白铜镭雕屏蔽罩可满足:12小时中性盐雾测试后,镭雕信息清晰可辨识,二维码可扫描(可能会有白色锈蚀)。
- 如需对模块进行喷涂,请确保所用喷涂材料不会与模块屏蔽罩或PCB发生化学反应,同时确保喷涂材料不会流入模块内部。
- 请勿对移远通信模块进行超声波清洗,否则可能会造成模块内部晶体损坏。
- 请勿使用含汞(Hg)的材料,例如胶水,对模块进行处理。即使是符合RoHS标准,即汞含量低于1000 ppm(0.1 %)的材料也不可使用。
- 腐蚀性气体可能会对模块内的电子元器件产生腐蚀,进而影响其可靠性和性能,甚至导致模块的实际使用寿命无法达到原设计寿命。切勿在有腐蚀性气体(如氢化硫、二氧化硫、氯气和氨气等)的环境中存放或使用未加保护的模块。
- 因SMT流程的复杂性,如遇不确定的情况或文档 [4] 未提及的流程(如选择性波峰焊、超声波焊接),请于SMT流程开始前与移远通信技术支持确认。
包装规格
本章节仅用于体现包装的关键参数和包装流程,所有图示仅供参考,具体包材的外观、结构以实际交货为准。
此模块采用载带和胶盘包装,具体方案如下:
载带
载带的尺寸图表如下:

载带尺寸表(单位:mm):
| W | P | T | A0 | B0 | K0 | K1 | F | E |
|---|---|---|---|---|---|---|---|---|
| 32 | 24 | 0.4 | 11.6 | 17 | 2.6 | 4.6 | 14.2 | 1.75 |
胶盘
胶盘的尺寸图表如下:

胶盘尺寸表(单位:mm):
| øD1 | øD2 | W |
|---|---|---|
| 330 | 100 | 32.5 |
贴片方向

包装流程
包装流程:
| 图像 | 描述 |
|---|---|
![]() |
将模块放入载带腔体中,使用上带热封;再将热封后的载带缠绕到胶盘中,用保护带缠绕防护。1个胶盘可装载500片模块。 |
![]() |
将包装完成的胶盘、湿敏卡以及干燥剂放入1个真空袋中并抽真空。 |
![]() |
将抽真空后的胶盘放入披萨盒内。 |
![]() |
将4个披萨盒放入1个卡通箱内并封箱。1个卡通箱可包装2000片模块。 |
附录 参考文档及术语缩写
参考文档:
| 文档名称 |
|---|
| [1]Quectel_HCM511S_TE-B_User_Guide |
| [2]Quectel_HCM511S_AT命令手册 |
| [3]Quectel_Module_Stencil_Design_Requirements |
| [4] Quectel_模块_SMT_应用指导 |
术语缩写:
| 缩写 | 英文全称 | 中文全称 |
|---|---|---|
| ADC | Analog to Digital Converter | 模数转换器 |
| ARM | Advanced RISC Machine | RISC微处理器 |
| BLE | Bluetooth Low Energy | 蓝牙低功耗 |
| CMU | Clock Management Unit | 时钟管理单元 |
| CPU | Central Processing Unit | 中央处理器 |
| DC | Direct Current | 直流电 |
| DMA | Direct Memory Access | 直接内存访问 |
| EM | Energy Mode | 功耗模式 |
| ESD | Electrostatic Discharge | 静电防护 |
| ETM | Embedded Trace Macrocell | 嵌入式追踪宏单元 |
| EUART | Enhanced Universal Asynchronous Receiver/Transmitter | 增强型通用异步收发器 |
| FRC | Frame Controller | 帧控制器 |
| GFSK | Gauss frequency Shift Keying | 高斯频移键控 |
| GND | Ground | 地 |
| GPIO | General-Purpose Input/Output | 通用型输入/输出 |
| I2C | Inter-Integrated Circuit | 集成电路总线 |
| I2S | Inter-IC Sound | 集成电路内置音频总线 |
| ADC | Incremental Analog to Digital Converter | 增量模数转换器 |
| I/O | Input/Output | 输入/输出 |
| IrDA | Infra-red Data Association | 红外线数据标准协议 |
| JTAG | Joint Test Action Group | 联合测试工作组 |
| LCC | Leadless Chip Carrier (package) | 无引脚芯片载体(封装) |
| Mbps | Million Bits Per Second | 每秒百万比特 |
| MCU | Microcontroller Unit | 微型控制单元 |
| MISO | Master In Slave Out | 主机输入从机输出 |
| MOSI | Master Out Slave In | 主机输出从机输入 |
| OTA | Over-The-Air | 空中升级 |
| PCB | Printed Circuit Board | 印刷电路板 |
| PDM | Pulse Density Modulation | 脉冲密度调制 |
| PRS | Peripheral Reflex System | 外围设备反射系统 |
| PWM | Pulse Width Modulation | 脉冲宽度调制 |
| RAM | Random Access Memory | 随机存储器 |
| RF | Radio Frequency | 射频 |
| RoHS | Restriction of Hazardous Substances | 《关于限制在电子电气设备中使用某些有害成分的指令》 |
| SPI | Serial Peripheral Interface | 串行外设接口 |
| SWD | Serial Wire Debug | 串行线调试 |
| TVS | Transient Voltage Suppressor | 瞬变电压抑制二极管 |
| Tx | Transmit | 发送 |
| UART | Universal Asynchronous Receiver/Transmitter | 通用异步收/发器 |
| USART | Universal Synchronous/Asynchronous Receiver/Transmitter | 通用同步/异步串行收/发送器 |
| (U)SIM | (Universal) Subscriber Identity Module | (通用)用户识别模块 |
| VIH | High-level Input Voltage | 输入高电平 |
| VIL | Low-level Input Voltage | 输入低电平 |
| Vmax | Maximum Voltage | 最大电压 |
| Vmin | Minimum Voltage | 最小电压 |
| Vnom | Nominal Voltage | 标称电压 |
| VOH | High-level Output Voltage | 输出高电平 |
| VOL | Low-level Output Voltage | 输出低电平 |
| VSWR | Voltage Standing Wave Ratio | 电压驻波比 |
模块支持352 KB或512 KB两种容量Flash,详情可联系移远通信技术支持。↩
仅内置512 KB Flash的模块型号支持。↩
在正常工作温度范围内,模块的各项指标符合蓝牙规范要求。↩
移远通信提供评估板(HCM511S-TE-B)及相关配件,用于模块的开发和测试。更多详细信息,请参考 文档[1]。↩
接口详情可参考第3.3章和 第3.4章。↩
标准固件版本下为"休眠唤醒控制"功能。默认高电平,拉低此引脚40ms以上则使模块进入休眠模式;休眠模式下,拉高此引脚40ms以上即可唤醒模块。↩
标准固件版本下为"消息通知指示"功能,详细配置请参考 文档[2]。↩
仅内置512 KB Flash的模块型号支持。↩
仅内置512 KB Flash的模块型号支持。↩
此车间寿命仅在车间环境符合IPC/JEDEC J-STD-033规范时适用;不确定车间温湿度环境是否满足条件,或相对湿度大于60%的情况下,请在拆封后24小时内完成贴片回流。请勿提前大量拆包↩



