HCM111Z硬件设计手册
引言
QuecOpen®是一种以移远通信模块作为主处理器的应用方案。随着通信技术的发展和市场的不断变化,越来越多的用户认识到QuecOpen®解决方案的优势。其主要特点如下:
- 实现嵌入式应用快速开发,缩短产品开发周期
- 简化电路和硬件结构设计,降低成本
- 实现终端产品尺寸小型化
- 降低产品的功耗
- 支持空中无线升级技术
- 提升产品的竞争力和性价比
本文档定义了在QuecOpen®方案下,HCM111Z的特性及其与您的应用相连接的硬件接口和空中接口,同时还提供了模块的硬件接口特性、射频特性、电气特性、机械规范和其他相关信息以便您快速了解本模块。
特殊符号
特殊符号:
| 符号 | 定义 |
|---|---|
| * | 若无特别说明,模块功能、特性、接口、引脚名称、命令、参数等后所标记的星号(*)表示该功能、特性、接口、引脚、命令、参数等正在开发中,因此暂不支持;模块型号后所标记的星号(*)表示该型号暂无样品。 |
| [...] | 在引脚名称后的,包含数字范围的中括号([...])指代所有相同类型的引脚。例如:SDIO_DATA[0:3]代表四个SDIO引脚SDIO_DATA0、SDIO_DATA1、SDIO_DATA2和SDIO_DATA3。 |
产品综述
HCM111Z是一款低功耗、高性价比的MCU蓝牙模块,支持BLE5.3协议。模块提供UART、SWD、I2C、ADC、PWM、SPI等丰富的外设接口,可满足不同应用场景的需求。
模块采用贴片技术,封装紧凑,集成以下特性:
- 嵌入式32位ARM Cortex-M3处理器,主频高达48 MHz
- 48 KB SRAM存储器,512 KB Flash
- 支持OTA(Over-The-Air Upgrade)
- 支持二次开发
基本信息:
| HCM111Z | |
|---|---|
| 封装 | LCC |
| 引脚数 | 23 |
| 尺寸 | (15 ±0.2) mm × (12 ±0.2) mm × (2.25 ±0.2) mm |
| 重量 | 约0.62 g |
关键特性
关键特性:
| 基本信息 | |
|---|---|
| 协议与标准 | |
| 供电电压 | VBAT供电
|
| 温度范围 | |
| 评估板套件 | HCM111Z TE-B2 |
| 天线/天线接口 | |
| 天线/天线接口3 |
|
| 应用接口4 | |
| 应用接口 | UART、SWD、I2C、ADC、PWM、SPI、LED、模拟音频接口*(可选) |
功能框图

备注:
- 模块提供三种可选的天线或天线接口设计,详情可联系移远通信技术支持。
- 模拟音频接口*可选,不用则模拟音频接口引脚保持悬空,详情可联系移远通信技术支持。
应用接口
引脚分配图

备注:
- 所有不用的引脚需悬空。
- 所有GND引脚需连接到地。
- 模块默认提供10路GPIO接口,复用情况下可支持UART、SWD、I2C、ADC、PWM和SPI等接口。关于复用功能详细信息,请参考第3.3章和第3.4章。
引脚定义
参数定义:
| 参数 | 描述 |
|---|---|
| AI | 模拟输入 |
| AO | 模拟输出 |
| AIO | 模拟输入/输出 |
| DI | 数字输入 |
| DO | 数字输出 |
| DIO | 数字输入/输出 |
| PI | 电源输入 |
DC特性包含电压域、额定电流信息等。
引脚描述:
电源和地引脚:
| 引脚名 | 引脚号 | I/O | 描述 | DC特性 | 备注 |
|---|---|---|---|---|---|
| VBAT | 2 | PI | 模块主电源 | Vmin = 2.4 V Vnom = 3.3 V Vmax = 4.3 V |
电源必须能够提供至少100mA的电流。 |
| VDD_EFUSE | 17 | PI | eFuse编程电源 | Vmax = 3.3 V Vmin = 0 V Vnom = 1.8 V |
不用则悬空。 |
| GND | 1、3、9 |
复位:
| 引脚名 | 引脚号 | I/O | 描述 | DC特性 | 备注 |
|---|---|---|---|---|---|
| RESET_P | 16 | DI | 模块复位 | VIO 5 | 高电平有效。 |
UART:
| 引脚名 | 引脚号 | I/O | 描述 | DC特性 | 备注 |
|---|---|---|---|---|---|
| UART0_TXD | 19 | DO | UART0发送 | VIO | |
| UART0_RXD | 18 | DI | UART0接收 | VIO | |
| GPIO1 | 4 | DO | UART1发送 | VIO | 仅用于标准版本固件的调试。 |
GPIO接口:
| 引脚名 | 引脚号 | I/O | 描述 | DC特性 | 备注 |
|---|---|---|---|---|---|
| GPIO2 | 5 | DIO | 通用输入/输出 | VIO | |
| GPIO3 | 7 | DIO | 通用输入/输出 | VIO | |
| GPIO4 | 8 | DIO | 通用输入/输出 | VIO | |
| GPIO56 | 10 | DI | 休眠唤醒控制 | VIO | QuecOpen®方案下,此引脚可通过API配置为“休眠唤醒控制”或“GPIO”功能。 |
| GPIO5 | 10 | DIO | 通用输入/输出 | VIO | QuecOpen®方案下,此引脚可通过API配置为“休眠唤醒控制”或“GPIO”功能。 |
| GPIO6 | 11 | DIO | 通用输入/输出 | VIO | |
| GPIO7 | 12 | DIO | 通用输入/输出 | VIO | |
| GPIO8 | 15 | DIO | 通用输入/输出 | VIO | |
| GPIO9 | 20 | DIO | 通用输入/输出 | VIO | |
| GPIO10 | 21 | DIO | 通用输入/输出 | VIO | |
| GPIO117 | 22 | DO | 消息通知指示 | VIO | QuecOpen®方案下,此引脚可通过API配置为“消息通知指示”或“GPIO”功能。 |
| GPIO11 | 22 | DIO | 通用输入/输出 | VIO | QuecOpen®方案下,此引脚可通过API配置为“消息通知指示”或“GPIO”功能。 |
模拟音频接口*(可选) 8:
| 引脚名 | 引脚号 | I/O | 描述 | DC特性 | 备注 |
|---|---|---|---|---|---|
| MIC_IN | 6 | AI | 麦克风输入 | 不用则悬空。 | |
| SPK1_P | 13 | AO | 模拟音频差分输出1(+) | 不用则悬空。 | |
| SPK1_N | 14 | AO | 模拟音频差分输出1(-) | 不用则悬空。 |
LED接口:
| 引脚名 | 引脚号 | I/O | 描述 | DC特性 | 备注 |
|---|---|---|---|---|---|
| LED | 17 | DO | LED输出控制 | VIO | 不用则悬空。 |
射频天线接口:
| 引脚名 | 引脚号 | I/O | 描述 | DC特性 | 备注 |
|---|---|---|---|---|---|
| ANT_BT | 23 | AIO | 蓝牙天线接口 | 50 Ω特性阻抗。 |
GPIO复用
模块默认提供10路GPIO接口,复用情况下最多可支持13路。引脚定义如下表所示:
GPIO复用表:
| 引脚名 | 引脚号 | 复用功能0(GPIO号) | 复用功能1 | 复用功能2 | 复用功能3 | 复用功能4 | 复用功能5 | 复用功能6 | 复用功能7 |
|---|---|---|---|---|---|---|---|---|---|
| GPIO1 | 4 | PC7 | I2C1_SDA | PWM5 | UART0_TXD | - | - | SWDIO | SPI_MISO |
| GPIO2 | 5 | PC6 | I2C1_SCL | PWM4 | UART0_RXD | UART1_RXD | - | SWCLK | SPI_MOSI |
| GPIO3 | 7 | PA6 | I2C1_SCL | PWM0 | UART0_RXD | UART1_RXD | - | CLK_OUT | SPI_ MOSI |
| GPIO4 | 8 | PA7 | I2C1_SDA | PWM1 | UART0_TXD | UART1_TXD | - | ANT_CTL0 | SPI_MISO |
| GPIO5 | 10 | PA1 | I2C0_SDA | PWM1 | UART0_TXD | UART1_TXD | - | ANT_CTL0 | SPI_CS |
| GPIO6 | 11 | PC5 | I2C0_SDA | PWM5 | UART0_TXD | UART1_TXD | - | - | SPI_CS |
| GPIO7 | 12 | PA0 | I2C0_SCL | PWM0 | UART0_RXD | UART1_RXD | - | CLK_OUT | SPI_CLK |
| GPIO8 | 15 | PD4 | I2C0_SCL | PWM4 | UART0_RXD | UART1_RXD | ADC0 | ANT_CTL0 | SPI_CLK |
| GPIO9 | 20 | PD6 | I2C1_SCL | PWM0 | UART0_RXD | UART1_RXD | ADC2 | CLK_OUT | SPI_ MOSI |
| GPIO10 | 21 | PD5 | I2C0_SDA | PWM5 | UART0_TXD | UART1_TXD | ADC1 | ANT_CTL0 | SPI_CS |
| GPIO11 | 22 | PD7 | I2C1_SDA | PWM1 | UART0_TXD | UART1_TXD | ADC3 | ANT_CTL1 | SPI_MISO |
UART0_ TXD |
19 | PA3 | I2C1_SDA | PWM3 | - | UART1_TXD | - | ANT_CTL1 | - |
UART0_ RXD |
18 | PA2 | I2C1_SCL | PWM2 | - | UART1_RXD | - | ANT_CTL0 | - |
备注:
- 通过GPIO复用来的各应用接口最大数量不可同时实现。对于模块可支持各种应用接口的最大数量,详情可参考第3.4章。
- 模块断电后,所有GPIO的输入电平必须为低电平。否则,GPIO漏电可能会使模块处于异常状态。
应用接口
UART
模块默认支持1路UART0,GPIO1仅用于标准版本固件的调试。复用情况下最多可支持2路UART:UART0和UART1,复用UART详情请参考表6。默认UART引脚定义如下:
UART引脚定义:
| 引脚名 | 引脚号 | I/O | 描述 | 备注 |
|---|---|---|---|---|
| UART0_TXD | 19 | DO | UART0发送 | |
| UART0_RXD | 18 | DI | UART0接收 | |
| GPIO1 | 4 | DO | UART1发送 | 仅用于标准版本固件的调试。 |
UART0可用于AT命令通信、数据传输、固件升级,波特率可自行配置,默认波特率为115200 bps。其中,仅模块默认的UART0(引脚18、19)可用于固件升级。

UART1可配合调试工具使用,以辅助排查模块异常问题,默认波特率为921600bps。标准版本固件的调试仅用GPIO1(引脚4)。如下为调试UART的参考设计。

SWD接口
复用情况下,模块支持1路SWD接口,支持在线程序烧写。引脚定义如下:
SWD接口引脚定义:
| 引脚名 | 引脚号 | 复用功能 | I/O | 描述 |
|---|---|---|---|---|
| GPIO1 | 4 | SWDIO | DIO | 串行数据输入/输出 |
| GPIO2 | 5 | SWCLK | DI | 串行时钟输入 |
SWD接口常见连接方式如下图所示:

I2C接口
模块复用情况下最多支持2路I2C接口,均支持主从模式,主要特点如下:
- AMBA 2.0 APB总线协议
- 可编程主从模式
- 7位和10位寻址模式
- 自动时钟延展
- 可编程时钟与数据时序
- 支持中断模式
I2C接口引脚定义:
| 引脚名 | 引脚号 | 复用功能 | I/O | 描述 | 备注 |
|---|---|---|---|---|---|
| GPIO3 | 7 | I2C1_SCL | OD | I2C1串行时钟 | 其他复用I2C配置,见表6。 |
| GPIO4 | 8 | I2C1_SDA | OD | I2C1串行数据 | 其他复用I2C配置,见表6。 |
| GPIO5 | 10 | I2C0_SDA | OD | I2C0串行数据 | 其他复用I2C配置,见表6。 |
| GPIO7 | 12 | I2C0_SCL | OD | I2C0串行时钟 | 其他复用I2C配置,见表6。 |
ADC接口
模块复用情况下最多支持4路ADC接口。为了提高ADC接口电压测量的准确度,ADC接口在布线时需要包地处理。
ADC接口引脚定义:
| 引脚名 | 引脚号 | 复用功能 | I/O | 描述 |
|---|---|---|---|---|
| GPIO8 | 15 | ADC0 | AI | 通用ADC接 |
| GPIO9 | 20 | ADC2 | AI | 通用ADC接口 |
| GPIO10 | 21 | ADC1 | AI | 通用ADC接口 |
| GPIO11 | 22 | ADC3 | AI | 通用ADC接口 |
ADC接口特性:
| 参数 | 最小值 | 典型值 | 最大值 | 单位 |
|---|---|---|---|---|
| ADC输入电压范围 | 0 | 2.9 | 3.3 | V |
| ADC分辨率 | - | 10 | - | bit |
PWM接口
模块复用情况下最多支持6路PWM通接口,引脚定义如下表所示:
PWM接口引脚定义:
| 引脚名 | 引脚号 | 复用功能 | I/O | 描述 | 备注 |
|---|---|---|---|---|---|
| GPIO9 | 20 | PWM0 | DO | PWM0输出 | 其他复用PWM配置,见表6。 |
| GPIO11 | 22 | PWM1 | DO | PWM1输出 | 其他复用PWM配置,见表6。 |
| UART0_RXD | 18 | PWM2 | DO | PWM2输出 | 其他复用PWM配置,见表6。 |
| UART0_TXD | 19 | PWM3 | DO | PWM3输出 | 其他复用PWM配置,见表6。 |
| GPIO8 | 15 | PWM4 | DO | PWM4输出 | 其他复用PWM配置,见表6。 |
| GPIO10 | 21 | PWM5 | DO | PWM5输出 | 其他复用PWM配置,见表6。 |
SPI
模块复用情况下支持1路SPI,支持主模式,最大时钟频率可达24 MHz。
SPI引脚定义:
| 引脚名 | 引脚号 | 复用功能 | I/O | 描述 | 备注 |
|---|---|---|---|---|---|
| GPIO3 | 7 | SPI_MOSI | DO | SPI主输出从输入 | 其他复用SPI配置,见表6。 |
| GPIO4 | 8 | SPI_MISO | DI | SPI主输入从输出 | 其他复用SPI配置,见表6。 |
| GPIO6 | 11 | SPI_CS | DO | SPI片选 | 其他复用SPI配置,见表6。 |
| GPIO7 | 12 | SPI_CLK | DO | SPI时钟 | 其他复用SPI配置,见表6。 |
SPI连接方式如下图:

LED接口
模块提供1路LED接口,用于LED输出控制。
LED接口引脚定义:
| 引脚名 | 引脚号 | I/O | 描述 | 备注 |
|---|---|---|---|---|
| LED | 17 | DO | LED输出控制 | 不用则悬空。 |
设计时建议使用直接驱动的方式,参考电路如下图所示:

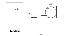
模拟音频接口*(可选) 9
模块提供2路模拟音频接口,一路用于麦克风语音输入,一路用于模拟语音输出。
模拟音频接口引脚定义:
| 引脚名 | 引脚号 | I/O | 描述 | 备注 |
|---|---|---|---|---|
| MIC_IN | 6 | AI | 麦克风输入 | 不用则悬空。 |
| SPK1_P | 13 | AO | 模拟音频差分输出1(+) | 不用则悬空。 |
| SPK1_N | 14 | AO | 模拟音频差分输出1(-) | 不用则悬空。 |
麦克风语音输入接口参考电路如下图所示:

模拟语音输出接口参考电路如下图所示:

模块语音输出信号较弱,需外接功率放大器才可驱动扬声器。功率放大器可参考选用HT6872、LM4871、CS5620E等型号,外围电路设计因选用功放型号不同而有所差异,具体请参考对应型号产品设计规格书。
工作特性
电源设计
下表为模块的电源引脚和接地引脚定义。
电源引脚和地引脚定义:
| 引脚名 | 引脚号 | I/O | 描述 | 最小值 | 典型值 | 最大值 | 单位 |
|---|---|---|---|---|---|---|---|
| VBAT | 2 | PI | 模块主电源 | 2.4 | 3.3 | 4.3 | V |
| GND | 1、3、9 |
供电参考
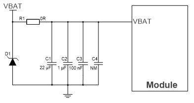
模块由VBAT供电,推荐使用输出电流至少为100mA的电源芯片。为了确保实现更好的电源供电性能,建议在靠近模块VBAT输入端并联22μF的去耦电容以及1 μF、100nF的滤波电容。预留电容C4用于调试,默认不贴。同时,建议在靠近VBAT输入端增加一个TVS管以提高模块的浪涌电压承受能力。原则上,VBAT走线越长,线宽越宽。
VBAT输入端参考电路如下图所示:

开机
模块VBAT上电后,即可实现模块自动开机。开机时序如下。

为保证模块正常启动,防止UART电压倒灌,请确保模块VBAT上电早于UART上电至少1ms。

复位
拉高RESET_P引脚至少50 ms后释放可使模块复位。
RESET_P引脚定义:
| 引脚名 | 引脚号 | I/O | 描述 | 备注 |
|---|---|---|---|---|
| RESET_P | 16 | DI | 模块复位 | 高电平有效。 |
参考电路如下图所示,通过一个按键开关连接外部电源(电压范围为2.4~3.3V,绝对最大额定值为 3.6V)与RESET_P引脚,按下开关,即可实现RESET_P的上拉,从而实现模块复位。按键开关需并联一个大电容(约10μF),同时建议在按键附近放置一个TVS管用于ESD防护。

模块复位时序图如下所示:

下载模式
在模块复位或者上电开机过程中,当上位机打开烧录工具时,模块会进入下载模式。在下载模式下可通过模块默认的UART0(引脚18、19)下载固件。
射频特性
蓝牙特性
蓝牙特性:
| 工作频率 | ||
|---|---|---|
| 2.400~2.4835 GHz | ||
| 调制方式 | ||
| GFSK | ||
| 工作模式 | ||
| 低功耗蓝牙(BLE) | ||
| 条件 | 发射功率 | 接收灵敏度 |
| BLE (1 Mbps) | ≤ 10 dBm | -95 dBm ±2 dB |
天线/天线接口
请根据具体的项目情况选择合适的天线类型与设计方案,并调整天线参数。在终端产品量产前,需对射频设计进行全面的功能测试。本章节的全部内容仅作示例,在设计目标产品时仍需进行独立分析、评估和判断。
模块提供三种天线/天线接口设计:引脚天线接口(ANT_BT)、PCB天线和射频同轴连接器;当选用PCB天线或引脚天线接口时,模块上不焊接射频同轴天线座。模块射频端口要求50Ω特性阻抗。
引脚天线接口(ANT_BT)10
ANT_BT引脚定义:
| 引脚名 | 引脚号 | I/O | 描述 | 备注 |
|---|---|---|---|---|
| ANT_BT | 23 | AIO | 蓝牙天线接口 | 50 Ω特性阻抗。 |
参考设计
下图为引脚天线接口的电路。为了达到更佳的射频性能,建议预留双L型电路和ESD防护器件。预留元件R1、C1~C3和D1应尽量靠近天线放置,R1推荐值为0Ω,TVS寄生电容小于0.05 pF,C1、C2、D1默认不贴。

备注:
若天线端口外围设计存在直流电,则必须在C3位置贴隔直电容,防止发生对地短路,电容值建议为10 pF,可根据实际要求调整。若外围设计中无直流电,则无需预留C3位置。
射频信号线布线指导
设计PCB时,所有射频信号线的特性阻抗应控制在50Ω。一般情况下,射频信号线的阻抗由材料的介电常数、走线宽度(W)、对地间隙(S)、以及参考地平面的高度(H)决定。PCB特性阻抗的控制通常采用微带线与共面波导两种方式。为了体现设计原则,下面几幅图展示了阻抗线控制在50Ω时,微带线以及共面波导的结构设计。




在射频天线接口的电路设计中,为了确保射频信号的良好性能与可靠性,建议遵循以下设计原则:
- 应使用阻抗模拟计算工具对射频信号线进行精确的50 Ω阻抗控制。
- 与射频引脚相邻的地引脚不做热焊盘,要与地充分接触。
- 射频引脚到射频连接器之间的距离应尽量短,同时避免直角走线,建议走线夹角保持为135°。
- 建立连接器件的封装时,信号脚需与地保持距离。
- 射频信号线参考的地平面应完整;在信号线和参考地周边增加一定量的地孔可以帮助提升射频性能;地孔和信号线之间的距离应至少为2倍线宽(2× W)。
- 射频信号线必须远离干扰源(例如:DC-DC电源、(U)SIM/USB/SDIO高频数字信号、屏幕信号、时钟信号等),避免和相邻层的任何信号线交叉或平行。
更多关于射频布线的说明,请参考文档 [3]。
PCB天线 11
PCB天线参数:
| 参数 | 要求 |
|---|---|
| 频率范围(GHz) | 2.400~2.500 |
| 阻抗(Ω) | 50 |
| VSWR | ≤ 4.2 |
| 增益(dBi) | -3.7(最大值) |
| 效率 | 18.8 % |
PCB天线的性能取决于整个产品,包括主板、外壳和其他射频信号等,建议在早期设计阶段就进行验证。为确保产品使用PCB天线设计时的性能和可靠性,模块的放置和布局应遵循以下基本原则:
- 模块应放置在主板边缘。
- 在主板上,PCB天线下方的PCB区域所有层需要净空。
- PCB天线应与主板上的过孔、走线、覆铜和其他器件(例如:连接器、以太网口和任何金属器件等)保持至少16 mm的距离。
- 如果客户产品使用塑料外壳,塑料外壳应距离PCB天线至少10mm以上。如果使用金属外壳,建议使用外置天线。
备注:
如果上述任一原则无法保证,建议选择模块的其他天线方案或咨询移远天线团队。移远天线团队可以帮助设计并推荐合适的外置天线。如有需要,请联系移远通信技术支持。

为确保模块性能,PCB设计时模块底部射频测试点处禁止布线。禁止布线区域见下图红框标识:

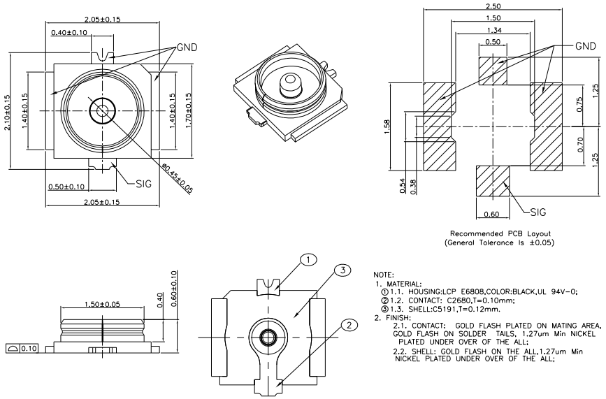
射频同轴连接器 12
天线座规格
模块提供第4代射频同轴连接器天线座,结构尺寸如下:

天线座主要特性:
| 参数 | 规范 |
|---|---|
| 标称频率范围 | DC~6 GHz |
| 标称阻抗 | 50 Ω |
| 温度范围 | -40 °C ~ +85 °C |
| 电压驻波比(VSWR) | 符合要求: 最大1.3(DC~3 GHz) 最大1.45(3~6 GHz) |
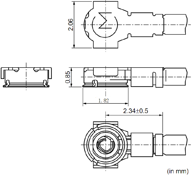
射频连接器安装
与模块射频连接器相匹配的射频插头支持两种类型规格,使用Ø 0.81mm同轴线缆时,最大高度约 1.2 mm;使用Ø 1.13 mm同轴线缆时,最大高度约1.45mm。
下图为Ø 0.81 mm同轴线缆匹配插头的规格。

下图为Ø 0.81 mm同轴线缆搭配模块上的射频连接器和匹配插头之间的连接图。

下图为Ø 1.13 mm同轴线缆搭配模块上的射频连接器和匹配插头之间的连接图。

手动插拔同轴电缆插头
手动插入同轴电缆插头示意图如下,θ须为90°。

手动拔出同轴电缆插头示意图如下,θ须为90°。

治具插拔同轴电缆插头
治具插拔同轴电缆插头示意图如下,θ须为90°。

推荐的射频插头与连接线
推荐使用I-PEX的射频插头和连接线,更多细节,请访问https://www.i-pex.com 。
天线设计要求
天线设计要求:
| 类型 | 要求 |
|---|---|
| 频率范围(GHz) | 2.400~2.4835 |
| 引脚天线接口、射频同轴连接器 |
电气性能和可靠性
绝对最大额定值
下表为模块部分引脚电压或电流的绝对最大额定值。
绝对最大额定值(单位:V):
| 参数 | 最小值 | 最大值 |
|---|---|---|
| VBAT | -0.3 | 4.3 |
| VIO | -0.3 | 3.6 |
| ADC[0:3]电压 | 0 | 3.6 |
电源额定值
模块供电额定电压(单位:V):
| 参数 | 描述 | 条件 | 最小值 | 典型值 | 最大值 |
|---|---|---|---|---|---|
| VBAT | 模块主电源 | 实际输入电压必须在该范围之内 | 2.4 | 3.3 | 4.3 |
蓝牙功耗
BLE功耗:
| 模式 | 典型值 | 最大值 | 单位 |
|---|---|---|---|
| 睡眠 | 6.2 | - | μA |
| 关机 | 3.1 | - | μA |
| BLE 1 Mbps @ Tx 10 dBm | - | 21.9 | mA |
数字逻辑电平特性
I/O特性(单位:V):
| 参数 | 描述 | 最小值 | 最大值 |
|---|---|---|---|
| VIH | 输入高电平 | 0.7 × VIO | 3.3 |
| VIL | 输入低电平 | -0.3 | 0.3 × VIO |
| VOH | 输出高电平 | 2.4 | 3.3 |
| VOL | 输出低电平 | - | 0.4 |
备注:
模块I/O口供电取决于VBAT电压值。当VBAT大于2.9V时,可通过内部LDO转换,I/O口电压(VIO)默认为2.9V,实际可通过软件进行调整;当VBAT小于2.9V时,I/O口电压(VIO)即为VBAT。详情可联系移远通信技术支持。
静电防护
由于人体静电、微电子间带电摩擦等产生的静电会通过各种途径放电给模块,并可能对模块造成一定的损坏,因此应重视静电防护并采取合理的静电防护措施。例如:在研发、生产、组装和测试等过程中,佩戴防静电手套;设计产品时,在电路接口处和其他易受静电放电影响的点位增加防静电保护器件。
ESD耐受电压(单位:kV):
| 模型 | 测试结果 | 参考标准 |
|---|---|---|
| 人体模型 | ±4 | ANSI/ESDA/JEDEC JS-001-2017 |
| 充电器件模型 | ±0.5 | ANSI/ESDA/JEDEC JS-002-2018 |
结构与规格
本章节描述了模块的机械尺寸。所有的尺寸单位为毫米;所有未标注公差的尺寸,公差为±0.2mm。
机械尺寸


备注:
模块平整度标准:≤ 0.13 mm。
推荐封装

备注:
为确保器件的焊接质量,方便后续的维修操作,客户主板上模块与其他元器件之间的距离至少为3mm。
俯视图和底视图



备注:
- 上图仅供参考,实际的产品外观和标签信息,请参照移远通信的模块实物
- 选用引脚天线接口(ANT_BT)或PCB天线时,模块上不焊接射频同轴天线座。
存储、生产和包装
存储条件
模块出货时,采用真空密封袋进行包装。模块的湿度敏感等级为3(MSL3),其存储需遵循如下条件:
- 推荐存储条件:温度 23 ±5 °C,且相对湿度为35~60 %。
- 在推荐存储条件下,模块可在真空密封袋中存放12个月。
- 在温度为23 ±5 °C、相对湿度低于60%的车间条件下,模块拆封后的车间寿命为168小时13。在此条件下,可直接对模块进行回流生产或其他高温操作。否则,需要将模块存储于相对湿度小于10%的环境中(例如,防潮柜)以保持模块的干燥。
- 若模块处于如下条件,需要对模块进行预烘烤处理以防止模块吸湿受潮再高温焊接后出现的PCB起泡、裂痕和分层:
- 存储温湿度不符合推荐存储条件;
- 模块拆封后未能根据以上第3条完成生产或存放;
- 真空包装漏气、物料散装;
- 模块返修前。
- 模块的预烘烤处理:
- 需要在120 ±5 °C条件下高温烘烤24小时;
- 二次烘烤的模块须在烘烤后24小时内完成焊接,否则仍需在防潮柜内保存。
备注:
- 为预防和减少模块因受潮导致的起泡、分层等焊接不良的发生,应严格进行管控,不建议拆开真空包装后长时间暴露在空气中。
- 烘烤前,需将模块从包装取出,将裸模块放置在耐高温器具上,以免高温损伤塑料托盘或卷盘。若只需短时间烘烤,请参考IPC/JEDEC J-STD-033规范。
- 拆包、放置模块时请注意ESD防护,例如,佩戴防静电手套。
生产焊接
用印刷刮板在网板上印刷锡膏,使锡膏通过网板开口漏印到PCB上,印刷刮板力度需调整合适。为保证模块印膏质量,模块焊盘部分对应的钢网厚度推荐为0.15~0.18mm。详细信息请参考文档 [4]。
推荐的回流焊峰值温度为235~246 ºC,最高不能超过246ºC。为避免模块因反复受热而损坏,建议客户在完成PCB板第一面的回流焊之后再贴模块。推荐的炉温曲线(无铅SMT回流焊)和相关参数如下图表所示:

推荐的炉温测试控制要求:
| 项目 | 要求 |
|---|---|
| 吸热区(Soak Zone) | |
| 升温斜率 | 0~3 °C/s |
| 恒温时间(A和B之间的时间:150~200°C期间) | 70~120 s |
| 回流焊区(Reflow Zone) | |
| 升温斜率 | 0~3 °C/s |
| 回流时间(D:超过217 °C的期间) | 40~70 s |
| 最高温度 | 235~246 °C |
| 冷却降温斜率 | -3~0 °C/s |
| 回流次数 | |
| 最大回流次数 | 1 |
备注:
- 以上工艺参数要求,均针对焊点实测温度。PCB上焊点最热点和最冷点均需要满足以上规范要求。
- 在生产焊接或者其他可能直接接触移远通信模块的过程中,不得使用任何有机溶剂(如酒精,异丙醇,丙酮,三氯乙烯等)擦拭模块屏蔽罩;否则可能会造成屏蔽罩生锈。
- 移远通信洋白铜镭雕屏蔽罩可满足:12小时中性盐雾测试后,镭雕信息清晰可辨识,二维码可扫描(可能会有白色锈蚀)。
- 如需对模块进行喷涂,请确保所用喷涂材料不会与模块屏蔽罩或PCB发生化学反应,同时确保喷涂材料不会流入模块内部。
- 请勿对移远通信模块进行超声波清洗,否则可能会造成模块内部晶体损坏。
- 请勿使用含汞(Hg)的材料,例如胶水,对模块进行处理。即使是符合RoHS标准,即汞含量低于1000 ppm(0.1 %)的材料也不可使用。
- 腐蚀性气体可能会对模块内的电子元器件产生腐蚀,进而影响其可靠性和性能,甚至导致模块的实际使用寿命无法达到原设计寿命。切勿在有腐蚀性气体(如氢化硫、二氧化硫、氯气和氨气等)的环境中存放或使用未加保护的模块。
- 因SMT流程的复杂性,如遇不确定的情况或文档 [5]未提及的流程(如选择性波峰焊、超声波焊接),请于SMT流程开始前与移远通信技术支持确认。
包装规格
本章节仅用于体现包装的关键参数和包装流程,所有图示仅供参考,具体包材的外观、结构以实际交货为准。
此模块采用载带和胶盘包装,具体方案如下:
载带
载带的尺寸图表如下:

载带尺寸表(单位:mm):
| W | P | T | A0 | B0 | K0 | K1 | F | E |
|---|---|---|---|---|---|---|---|---|
| 32 | 20 | 0.4 | 12.4 | 15.4 | 2.75 | 3.8 | 14.2 | 1.75 |
胶盘
胶盘的尺寸图表如下:

胶盘尺寸表(单位:mm):
| øD1 | øD2 | W |
|---|---|---|
| 380 | 100 | 32.5 |
贴片方向

包装流程
| 图像 | 描述 |
|---|---|
![]() |
将模块放入载带腔体中,使用上带热封;再将热封后的载带缠绕到胶盘中,用保护带缠绕防护。1个胶盘可装载1000片模块。 |
![]() |
将包装完成的胶盘、湿敏卡以及干燥剂放入1个真空袋中并抽真空。 |
![]() |
将抽真空后的胶盘放入披萨盒内。 |
![]() |
将4个披萨盒放入1个卡通箱内并封箱。1个卡通箱可包装4000片模块。 |
附录 参考文档及术语缩写
参考文档:
| 文档名称 |
|---|
| [1] Quectel_HCM111Z_TE-B_User_Guide |
| [2]Quectel_HCM111Z_AT命令手册 |
| [3]Quectel_射频LAYOUT_应用指导 |
| [4] Quectel_Module_Stencil_Design_Requirements |
| [5] Quectel_模块_SMT_应用指导 |
术语缩写:
| 缩写 | 英文全称 | 中文全称 |
|---|---|---|
| ADC | Analog-to-Digital Converter | 模数转换器 |
| AMMBA | Advanced Microcontroller Bus Architecture | 高级微控制器总线架构 |
| APB | Advanced Peripheral Bus | 外围总线 |
| ARM | Advanced RISC Machine | RISC微处理器 |
| BLE | Bluetooth Low Energy | 蓝牙低功耗 |
| DAC | Digital-to-Analog Converter | 数模转换器 |
| DSP | Digital Signal Processor | 数字信号处理器 |
| ESD | Electrostatic Discharge | 静电防护 |
| GFSK | Gauss Frequency Shift Keying | 高斯频移键控 |
| GND | Ground | 地 |
| GPIO | General-Purpose Input/Output | 通用型输入/输出 |
| I/O | Input/Output | 输入/输出 |
| I2C | Inter-Integrated Circuit | 集成电路总线 |
| I2S | Inter-IC Sound | 集成电路内置音频总线 |
| LCC | Leadless Chip Carrier | 无引脚芯片载体(封装) |
| LED | Light Emitting Diode | 发光二极管 |
| Mbps | Megabits per second | 每秒百万比特 |
| MCU | Microcontroller Unit | 微型控制单元 |
| NM | Not Mounted | 不贴 |
| OTA | Over The Air | 空中升级 |
| PA | Power Amplifier | 功率放大器 |
| PCB | Printed Circuit Board | 印刷电路板 |
| PWM | Pulse Width Modulation | 脉冲宽度调制 |
| RF | Radio Frequency | 射频 |
| RoHS | Restriction of Hazardous Substances | 危害性物质限制指令 |
| SDIO | Secure Digital Input/Output | 安全数字输入/输出 |
| SPI | Serial Peripheral Interface | 串行外设接口 |
| SRAM | Static Random-Access Memory | 静态随机存储器 |
| SWD | Serial Wire Debug | 串行线调试 |
| TVS | Transient Voltage Suppressor | 瞬变电压抑制二极管 |
| UART | Universal Asynchronous Receiver/Transmitter | 通用异步收/发器 |
| USB | Universal Serial Bus | 通用串行总线 |
| (U)SIM | (Universal) Subscriber Identity Module | (通用)用户识别模块 |
| VIH | High-level Input Voltage | 输入高电平 |
| VIL | Low-level Input Voltage | 输入低电平 |
| Vmax | Maximum Voltage | 最大电压 |
| Vmin | Minimum Voltage | 最小电压 |
| Vnom | Normal Voltage Value | 标称电压 |
| VOH | High-level Output Voltage | 输出高电平 |
| VOL | Low-level Output Voltage | 输出低电平 |
| VSWR | Voltage Standing Wave Ratio | 电压驻波比 |
在正常工作温度范围内,模块的各项指标符合蓝牙规范要求。↩
更多关于本TE-B的详细信息,请参考文档 [1]。↩
模块提供三种可选的天线或天线接口设计,详情可联系移远通信技术支持。↩
接口详情可参考 第3.3章和第3.4章。↩
模块I/O口供电取决于VBAT电压值。当VBAT大于2.9V时,可通过内部LDO转换,I/O口电压(VIO)默认为 2.9V,实际可通过软件进行调整;当VBAT小于2.9V时,I/O口电压(VIO)即为VBAT。I/O特性参考表26,详情可联系移远通信技术支持。↩
标准版本固件下引脚10为"休眠唤醒控制"功能:默认高电平,拉低此引脚则进入休眠模式;休眠模式下,拉高此引脚方能唤醒模块。↩
标准版本固件下引脚22为"消息通知指示"功能:默认高电平,拉低此引脚,则使能"消息通知指示"功能。详细配置请参考 文档[2]。↩
模块模拟音频接口可选,不用则模拟音频接口引脚保持悬空,详情可联系移远通信技术支持。↩
模拟音频接口可选,不用则模拟音频接口引脚保持悬空,详情可联系移远通信技术支持。↩
模块提供三种可选的天线或天线接口设计,详情可联系移远通信技术支持。↩
模块提供三种可选的天线或天线接口设计,详情可联系移远通信技术支持。↩
模块提供三种可选的天线或天线接口设计,详情可联系移远通信技术支持。↩
此车间寿命仅在车间环境符合IPC/JEDEC J-STD-033规范时适用;不确定车间温湿度环境是否满足条件,或相对湿度大于60%的情况下,请在拆封后24小时内完成贴片回流。请勿提前大量拆包。↩



